EasyManua.ls Logo

Bosch AWE - 6 Commissioning

Bosch AWE
44 pages
Print Icon
To Next Page IconTo Next Page
To Next Page IconTo Next Page
To Previous Page IconTo Previous Page
To Previous Page IconTo Previous Page
Loading...
Commissioning
AWE – 6721835317 (2021/09)
16
6 Commissioning
6.1 Venting the outdoor unit, indoor unit and heating
system
NOTICE
If the system is not correctly ventilated, this will damage the indoor
unit!
The auxiliary heater may overheat or be damaged if it has not been fully
vented prior to activation.
Carefully vent the system when filling.
Carefully vent the system once again during commissioning.
Also vent heating system at other venting points (e.g. radiators).
Always set the pressure slightly higher than the reference pressure as
this ensures a degree of tolerance to allow the air dissolved in the heating
water to be vented via VL1 as the temperature rises.
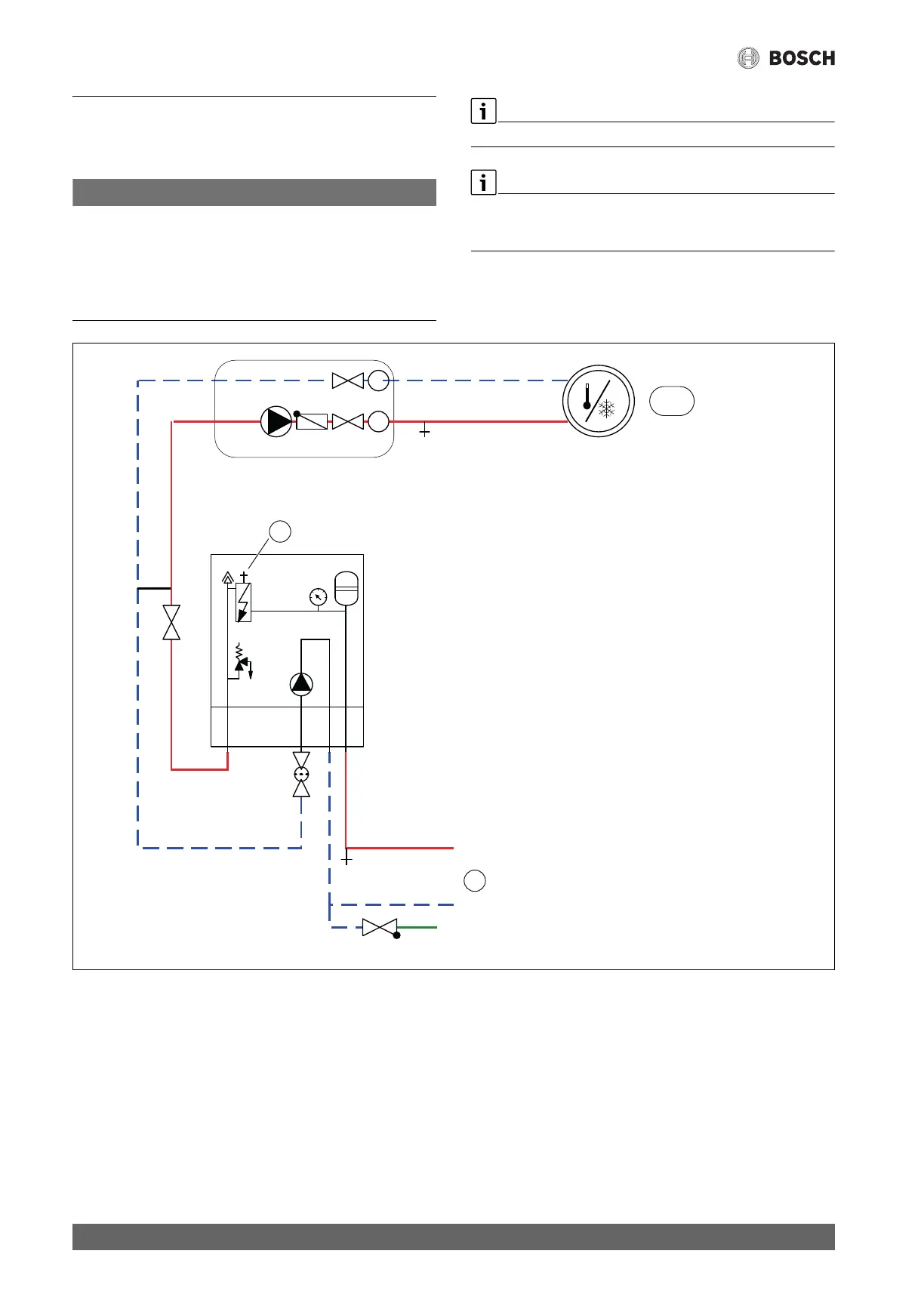
Fig. 15 Indoor unit with an integrated electric booster heater and heating system
[Z1] Heating system (without mixer)
[1] Heat pump
[2] Manual air vent valve
1. Connect the power supply of the outdoor and indoor unit.
2. Activate only the electric booster heater and make sure that the pump
PC1 is running.
3. Pull PWM contact PC0 off the pump PC0 so that it runs at maximum
speed.
4. Only deactivate the auxiliary heater when the pressure has not
decreased for 10 minutes and no more air emerges from the manual
air vent valve.
5. Connect the contacts PC0 to the pump.
6. Clean the particle filter SC1.
7. Check the pressure at the pressure gauge GC1, if the pressure is less
than 2 bar top up via the VW2 fill valve.
8. Check that the heat pump is running and that there are no alarms.
9. Vent the system at the other air vent valves of the heating system (e.g.
radiator) as well.

Table of Contents

Related product manuals