EasyManua.ls Logo

Bosch AWE - Heat Pump with Indoor Unit, Electric Booster Heater and Domestic Hot Water Cylinder

Bosch AWE
44 pages
Print Icon
To Next Page IconTo Next Page
To Next Page IconTo Next Page
To Previous Page IconTo Previous Page
To Previous Page IconTo Previous Page
Loading...
Technical information
25
AWE – 6721835317 (2021/09)
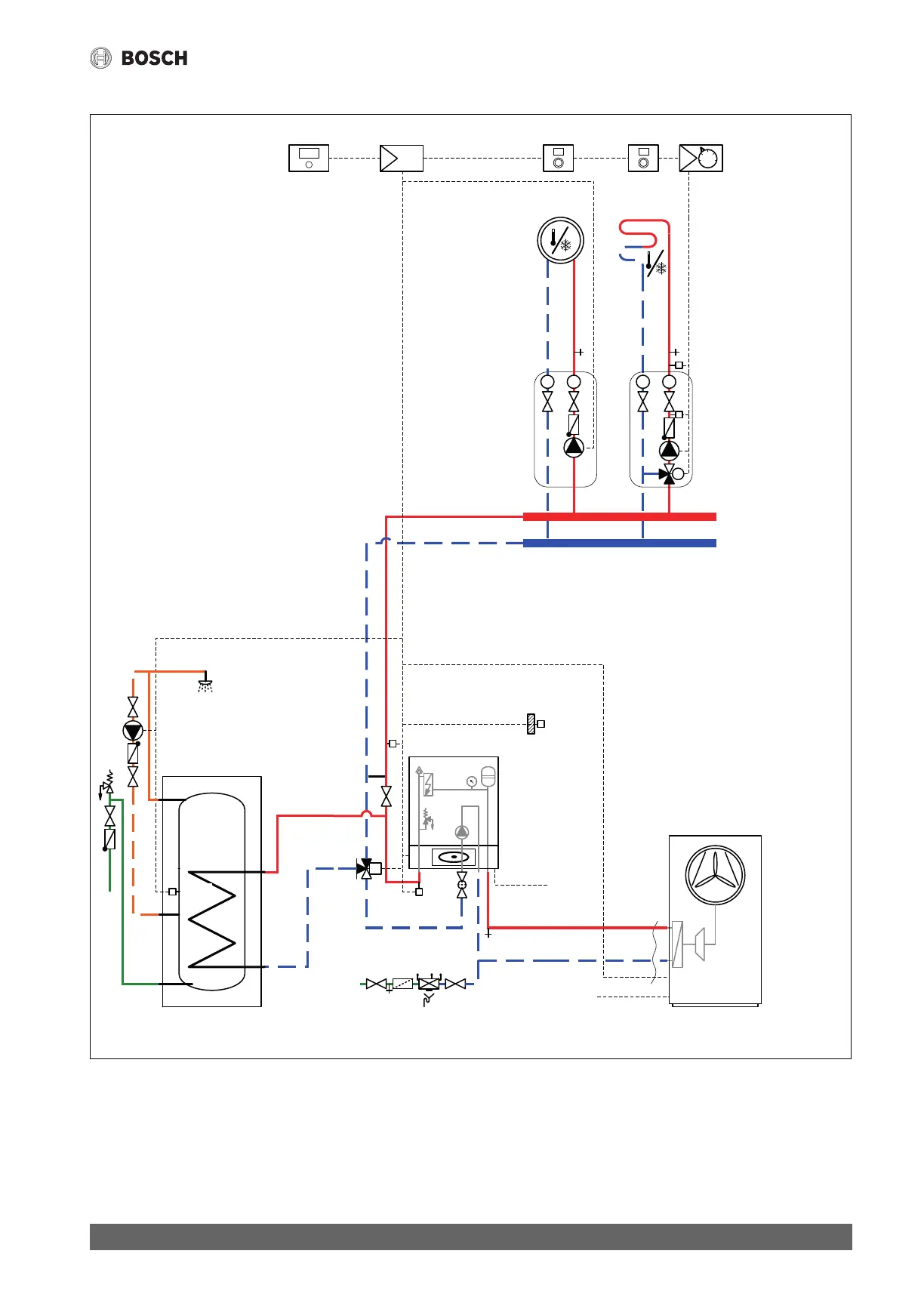
11.2.4 Heat pump with indoor unit, electric booster heater and domestic hot water cylinder
Fig. 29 Electric booster heater with water heater
[3] Assembled in the indoor unit
[4] Assembly in the indoor unit or on the wall
[5] Assembly on the wall
T
T
PC1
MC1
TC1
M
VC1
T T
PC1
SW ...-1
TW1
PW2
AWE ...
M
VW1
B
AB
A
T1
400 V AC
T0
400 /230 V AC
MK2
3
SEC 20
4
MM 100
2
5
CR 10 H
5
CR 10 H
3
HPC 400/410
CS 7000i/7001i/7400i AW
0010022439-003

Table of Contents

Related product manuals