EasyManua.ls Logo

Bosch AWE - Heat Pump with Indoor Unit, Electric Booster Heater, Domestic Hot Water Cylinder and Buffer

Bosch AWE
44 pages
Print Icon
To Next Page IconTo Next Page
To Next Page IconTo Next Page
To Previous Page IconTo Previous Page
To Previous Page IconTo Previous Page
Loading...
Technical information
AWE – 6721835317 (2021/09)
26
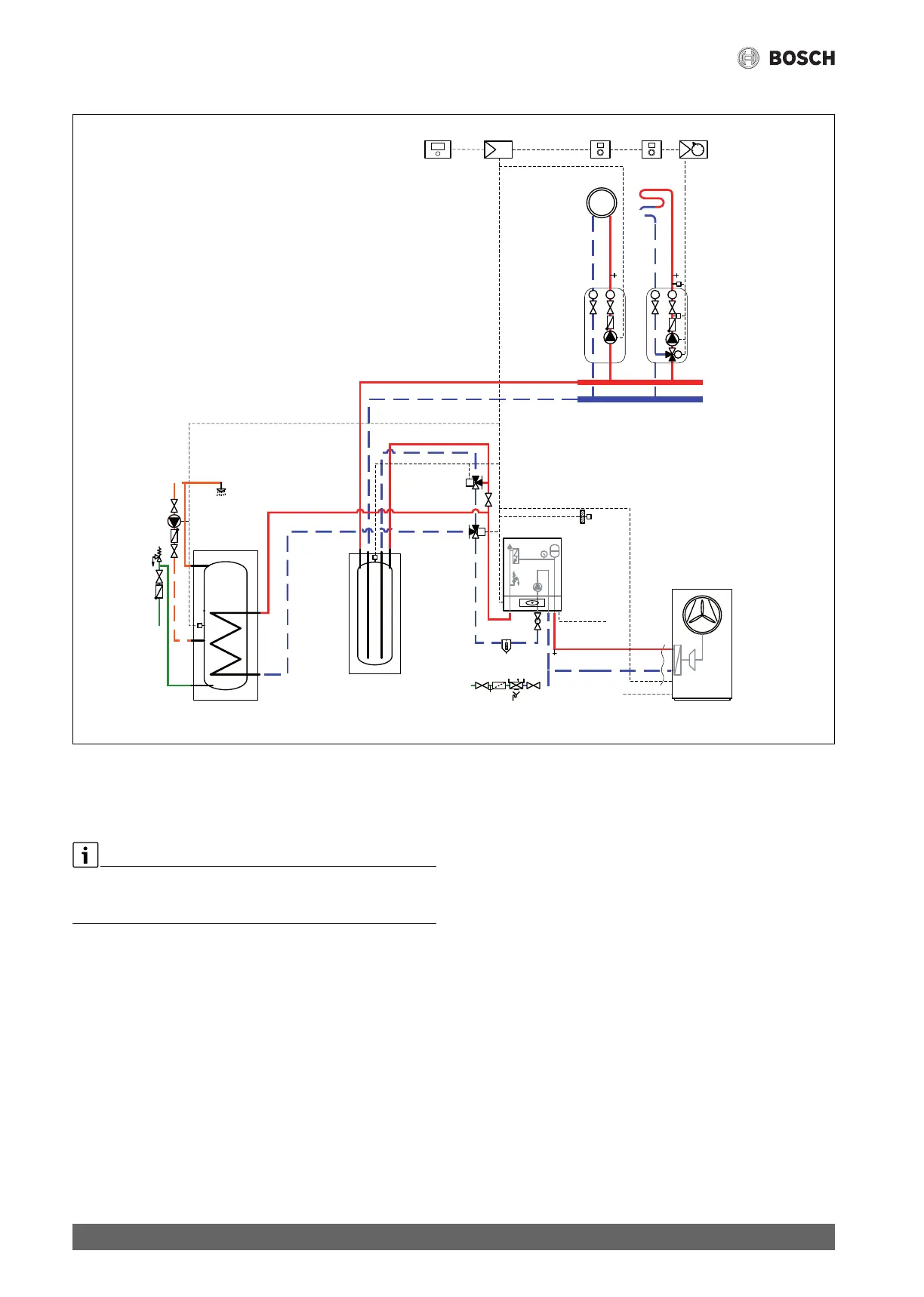
11.2.5 Heat pump with indoor unit, electric booster heater, domestic hot water cylinder and buffer
Fig. 30 Electric booster heater with water heater
[3] Assembled in the indoor unit
[4] Assembly in the indoor unit or on the wall
[5] Assembly on the wall
Depending on the hydraulic system, a second 3-way valve (accessory)
could be required (e.g. if a buffer tank is used alongside a hot water tank
or if the heating system has neither a PC1 nor a bypass).
T
T
PC1
SW...-1
TW1
PW2
AWE
VW1
T1
CS 7000i/7001i/7400iAW
3
SEC 20
5
CR 10
3
HPC 400/410
MC1
TC1
M
VC1
T T
PC1
4
MM 100
2
5
CR 10
M
VC0
400/ 230 V AC
400 V/ 230 V AC
Buffer
T0
M
0010040856-001

Table of Contents

Related product manuals