EasyManua.ls Logo

Bosch FPA-5000 - Page 235

Bosch FPA-5000
326 pages
To Next Page IconTo Next Page
To Next Page IconTo Next Page
To Previous Page IconTo Previous Page
To Previous Page IconTo Previous Page
Loading...
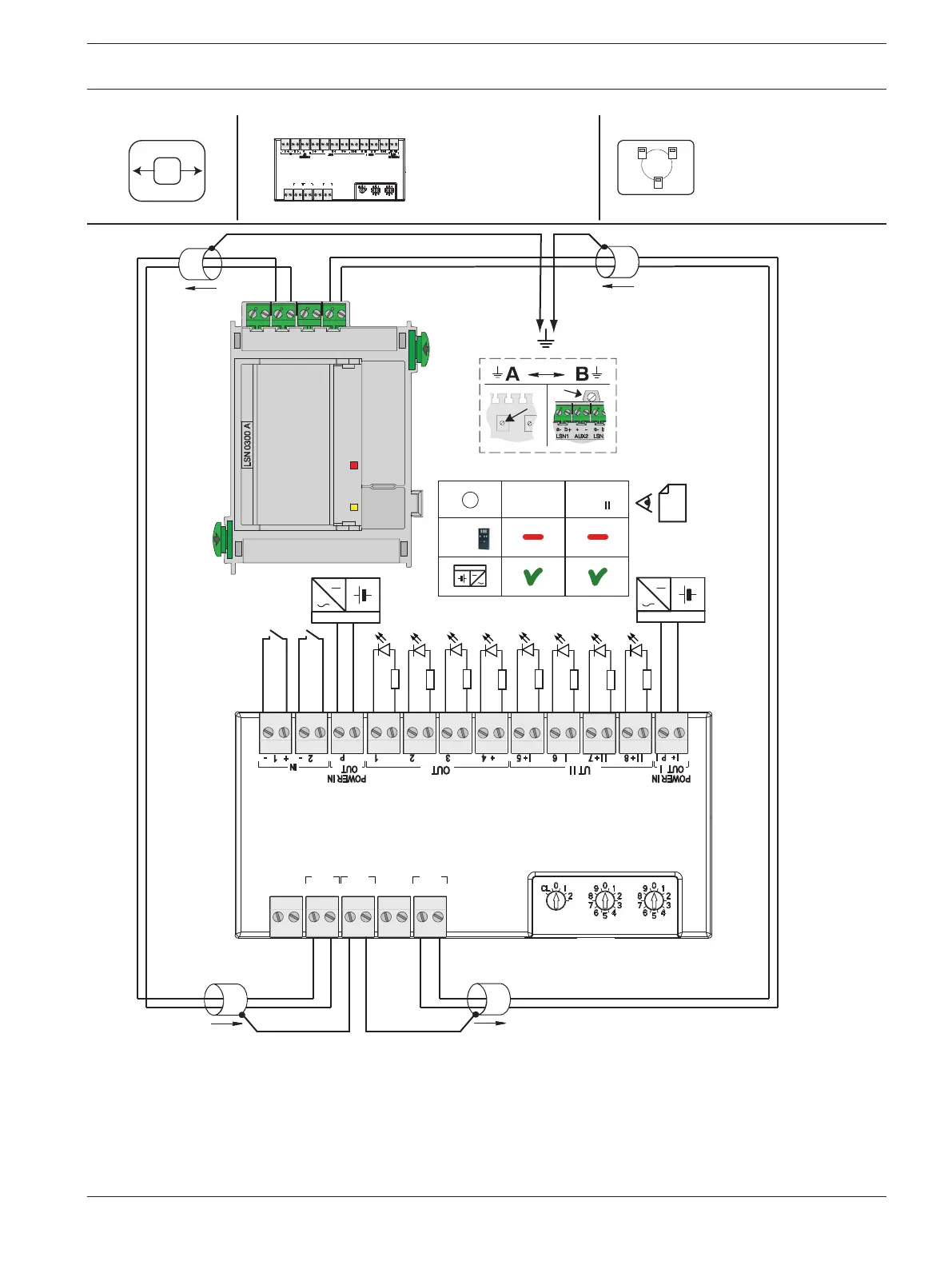
LSN 0300 A
AUX1 LSN1 AUX2 LSN2
+ – a– b+ + – a– b+
FLM-420-O8I2-S
N
I R E W
O P
T U O
I
I
N
I
R E W O P
T U O
I
N I
P
I
I
P
+
I
I
-
P I P
+ I-
P II 8
+
-
P II
7 + - P I
I
6
+ -
P
I
I
5
+
-
P I 4
+
- P I 3
+
- P I 2
+
-
P I
1
+
-
-
1
+
-
2
+
T
U O I
T
U
O
II
+
2
b
-
2
a
V
0
U
+
D
L
E
I
H
S
+
1
b
-
1
a
V
0
U +
N
S L N
S
L
N S
L
FLM-420-O8I2
N I R E W O P
T U O II
N I R E W O P
T U O
I
N I
P II P + II
-
P I P
+
I-
P II 8 + -
P I
I
7
+
- P II 6
+
-
P
II 5 + -
P
I
4
+
- P I 3
+
- P I 2
+
-
P I
1
+ -
- 1 +
- 2
+
T U O I T U O
I
I
+ 2 b - 2 a V 0 U + D L E I H S + 1 b
- 1 a V 0 U +
N S L N S L N S L
FLM-420-O8I2
+ U-U
5 -- 30 VDC
+ U-U
5 -- 30 VDC
POWER IN
OUT
I
POWER IN
OUT
II
AUX
5 - 30 V DC
2
6
Modular Fire Panel Wiring | en 235
Bosch Sicherheitssysteme GmbH Wiring Guide 2016.07 | 12.6 | F.01U.009.201

Other manuals for Bosch FPA-5000

Related product manuals