EasyManua.ls Logo

Bosch Rexroth IndraDrive CS - Page 132

Bosch Rexroth IndraDrive CS
153 pages
Print Icon
To Next Page IconTo Next Page
To Next Page IconTo Next Page
To Previous Page IconTo Previous Page
To Previous Page IconTo Previous Page
Loading...
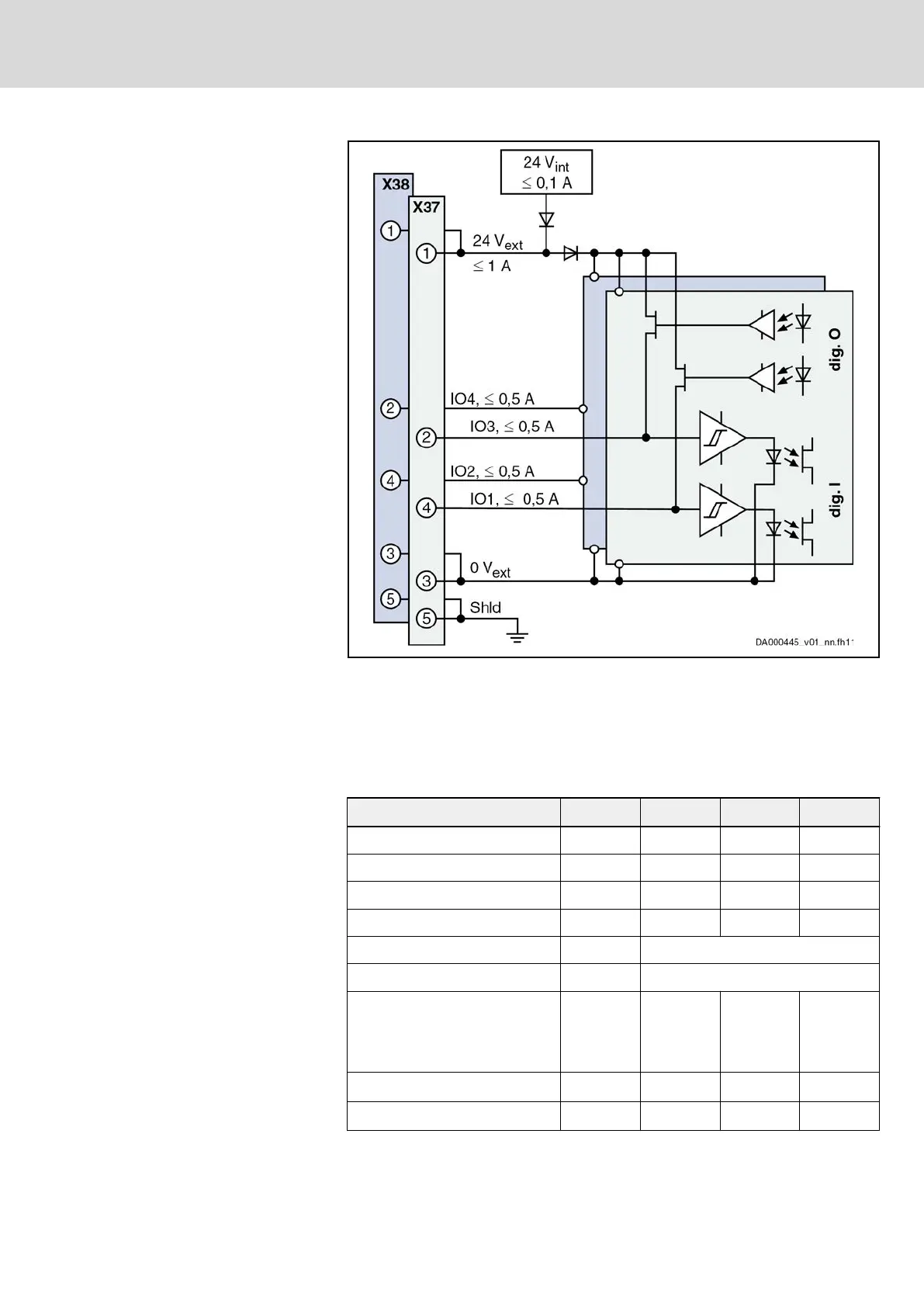
Internal Design
dig. I Digital input
dig. O Digital output
24 V
int
Voltage from internal power supply
24 V
ext
Voltage from external power supply
Shld Shield
Fig. 12-3: Internal Design of the Digital Inputs and Digital Outputs
Data: Inputs
Data Unit Min. Typ. Max.
Allowed input voltage V -3 30
On V 15
Off V 5
Input current mA 2 15
Input resistance 6,3
Sampling frequency kHz Depending on firmware
Control delay μs 20 100 + 1
cycle time
of position
control
Pulse width t
Puls
(probe) μs 4
Measuring accuracy t
x
(probe) μs 1
Tab. 12-11: Digital Inputs
DOK-INDRV*-SI3-**VRS**-AP06-EN-P
Rexroth IndraDrive Integrated Safety Technology "Safe Torque Off" (as of MPx-16)
Bosch Rexroth AG 129/149
Project planning
LSA Control S.L. www.lsa-control.com comercial@lsa-control.com (+34) 960 62 43 01

Table of Contents

Related product manuals