EasyManua.ls Logo

Bosch Rexroth IndraDrive CS - Zone Setup

Bosch Rexroth IndraDrive CS
153 pages
Print Icon
To Next Page IconTo Next Page
To Next Page IconTo Next Page
To Previous Page IconTo Previous Page
To Previous Page IconTo Previous Page
Loading...
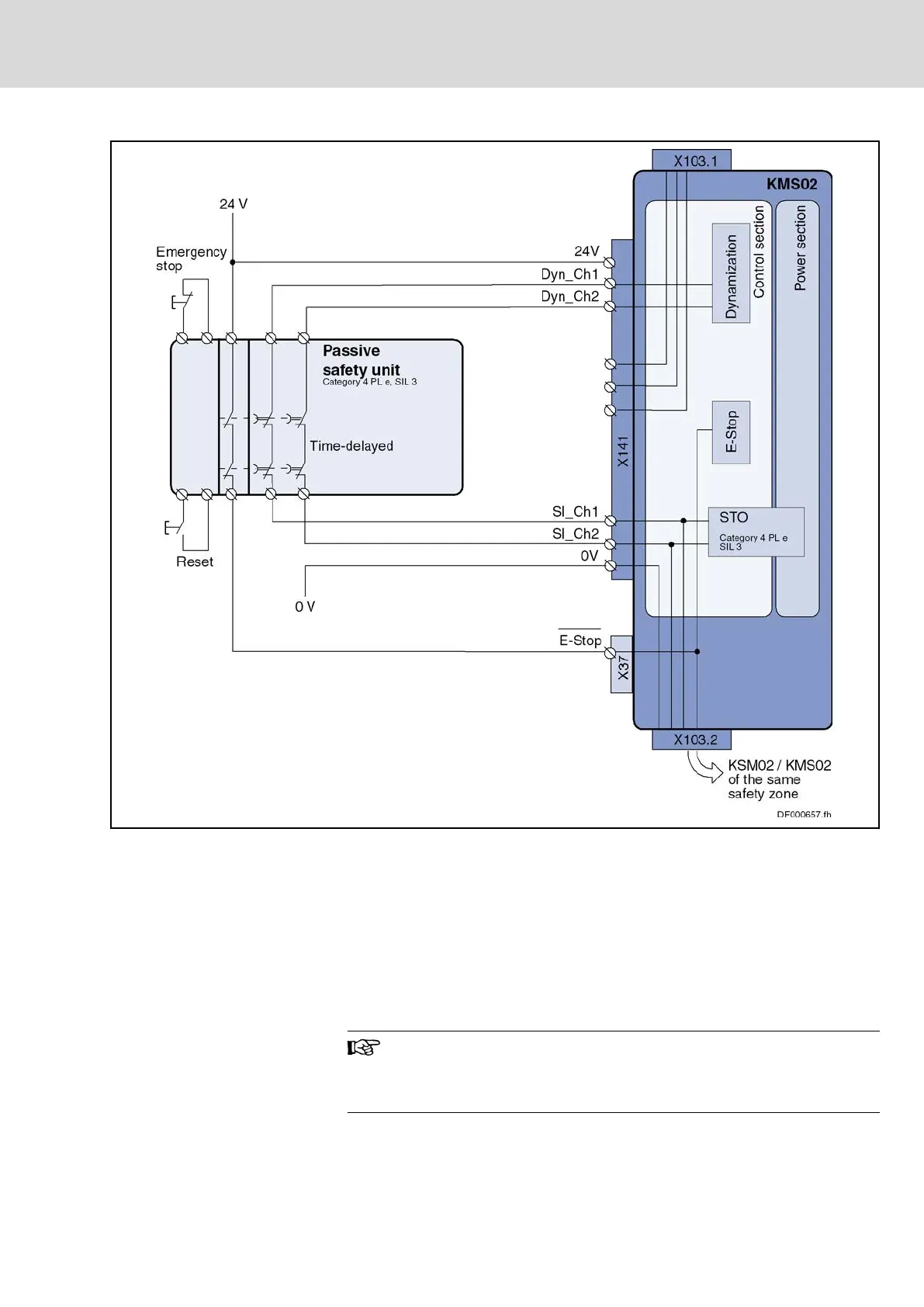
Fig. 7-17: SS1 function via KMS02 with dual-channel wiring and passive safety
unit
7.2.4 Zone setup
The figure below shows an exemplary zone setup with two safety zones.
Selection in safety zone 1 is made via a passive safety unit at KCU02. The E-
Stop function of the drive was used to extend the STO function to obtain the
"Safe stop 1 (Emergency stop)" function. Drive 1 features L3 option;
connector RBS0023 is plugged into X141 for transmitting the selection
signals.
Drive 2 does not feature L3 option. Connector RBS0023 at X141
is not required here because,
in the case of devices of the
KMS02 / KSM02 type without L3 option, X103.1 internally
transmits the selection signals to X103.2.
Selection in safety zone 2 is
made via a passive safety unit at KMS02 (drive
3). The E-Stop function of the drive was used here as well to extend the STO
DOK-INDRV*-SI3-**VRS**-AP06-EN-P
Rexroth IndraDrive Integrated Safety Technology "Safe Torque Off" (as of MPx-16)
Bosch Rexroth AG 75/149
Examples of application
LSA Control S.L. www.lsa-control.com comercial@lsa-control.com (+34) 960 62 43 01

Table of Contents

Related product manuals