EasyManua.ls Logo

Bosch Rexroth IndraDrive CS - Page 141

Bosch Rexroth IndraDrive CS
153 pages
Print Icon
To Next Page IconTo Next Page
To Next Page IconTo Next Page
To Previous Page IconTo Previous Page
To Previous Page IconTo Previous Page
Loading...
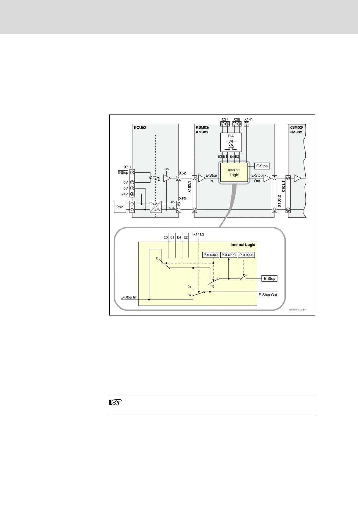
When a KSM02/KMS02 device has
been configured as a safety zone
beginner (X141.3 = n. c., P-0-0249 = 2) and no E-Stop signal has been
assigned to this KSM02/KMS02, the E-Stop signal of the preceding
safety zone is transmitted.
In this case, the E-Stop signal is input to the safety zone via an isolated
24V contact (X50.3) at KCU02. The reference potential of the E-Stop
signal within the safety zone is X53.1 (output of the DC-DC converter in
KCU02).
E1, E2, E3, E4 Digital inputs
P-0-0300 Digital inputs, assignment list
P-0-0223 E-Stop input
P-0-0008 Activation E-Stop function
1) Switch position when P-0-0223 (E-Stop input) not entered in
any element of P-0-0300 (default state)
2) Switch position when X141 equipped with cable RKB0033 or
open; P-0-0249 = 2 (zone beginner)
3) Switch position when X141 equipped with connector
RBS0023; P-0-0249 = 1 (zone node)
Fig. 12-8: E‑Stop zone setup
The E-Stop zone setup is independent of whether a safety
technology option L3 is available or not.
Bosch Rexroth AG DOK-INDRV*-SI3-**VRS**-AP06-EN-P
Rexroth IndraDrive Integrated Safety Technology "Safe Torque Off" (as of MPx-16)
138/149
Project planning
LSA Control S.L. www.lsa-control.com comercial@lsa-control.com (+34) 960 62 43 01

Table of Contents

Related product manuals