EasyManua.ls Logo

Bosch Rexroth IndraDrive CS - Page 72

Bosch Rexroth IndraDrive CS
153 pages
Print Icon
To Next Page IconTo Next Page
To Next Page IconTo Next Page
To Previous Page IconTo Previous Page
To Previous Page IconTo Previous Page
Loading...
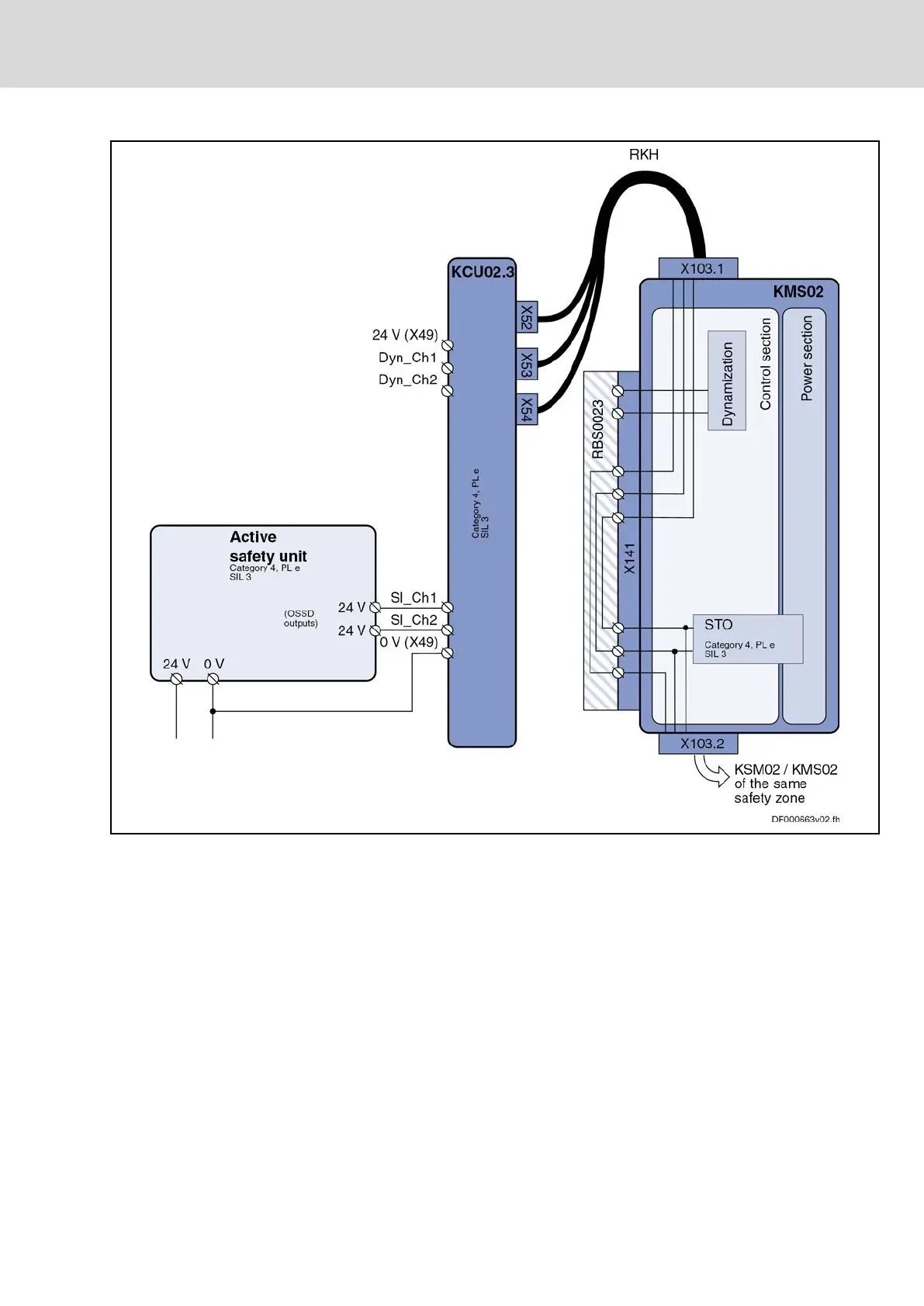
Fig. 7-11: KCU02 with active safety unit (plus-plus-switching outputs)
Plus-minus-switching safety unit
When the safety function is selected by means of a plus-minus-switching
safety unit, the following errors must be detected by the OSSD outputs:
Short circuit of the plus-switching selection signal against 24 V
Short circuit of the minus-switching selection signal against 0 V
DOK-INDRV*-SI3-**VRS**-AP06-EN-P
Rexroth IndraDrive Integrated Safety Technology "Safe Torque Off" (as of MPx-16)
Bosch Rexroth AG 69/149
Examples of application
LSA Control S.L. www.lsa-control.com comercial@lsa-control.com (+34) 960 62 43 01

Table of Contents

Related product manuals