EasyManua.ls Logo

Bosch Rexroth IndraDrive CS - Page 74

Bosch Rexroth IndraDrive CS
153 pages
Print Icon
To Next Page IconTo Next Page
To Next Page IconTo Next Page
To Previous Page IconTo Previous Page
To Previous Page IconTo Previous Page
Loading...
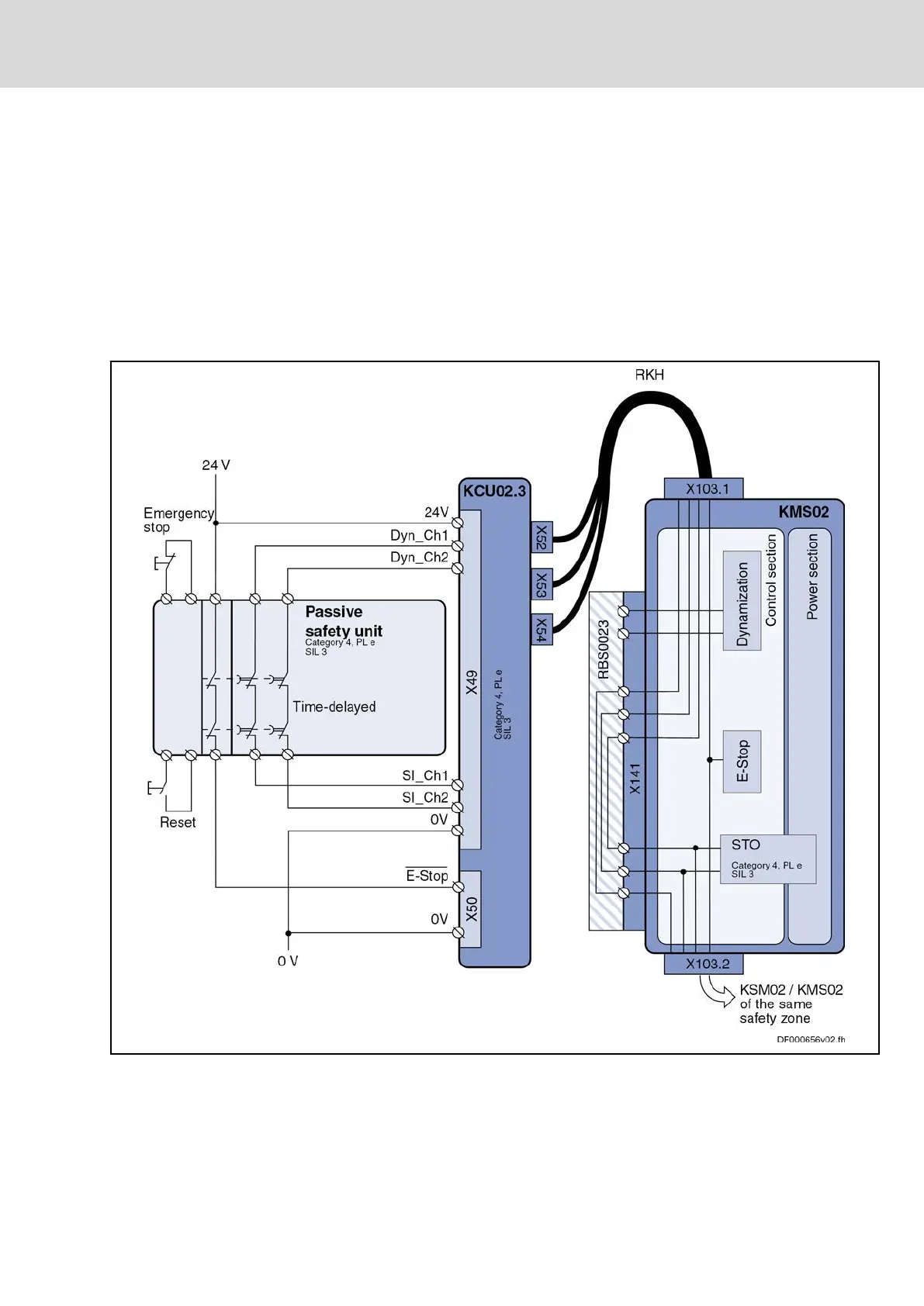
"Safe stop 1 (Emergency stop)" function with "L3" option
Using the E-Stop function of
the drive (or the NC stop of the control unit), the
STO function can be extended to obtain the "Safe stop 1 (Emergency stop)"
function. For this purpose, the selecting safety unit (active or passive) must
first shut down the drive by means of the E-Stop function (or the NC stop of
the control unit) and select the STO function after a fixed time that has been
set is over. The selection must always take place after the time that has been
set, independent of the state of the axis.
The figure below shows KCU02 as a zone beginner. The E-Stop signal is
wired to X50 of KCU02 and is transmitted to the zone nodes via the hybrid
cable.
Fig. 7-13: SS1 function via KCU02 with dual-channel wiring and passive safety
unit
DOK-INDRV*-SI3-**VRS**-AP06-EN-P
Rexroth IndraDrive Integrated Safety Technology "Safe Torque Off" (as of MPx-16)
Bosch Rexroth AG 71/149
Examples of application
LSA Control S.L. www.lsa-control.com comercial@lsa-control.com (+34) 960 62 43 01

Table of Contents

Related product manuals