EasyManua.ls Logo

Braillo 200 - Inductive Sensors, Replacing and Adjusting

Braillo 200
62 pages
Print Icon
To Next Page IconTo Next Page
To Next Page IconTo Next Page
To Previous Page IconTo Previous Page
To Previous Page IconTo Previous Page
Loading...
BRAILLO M NORWAY AS B 200
45
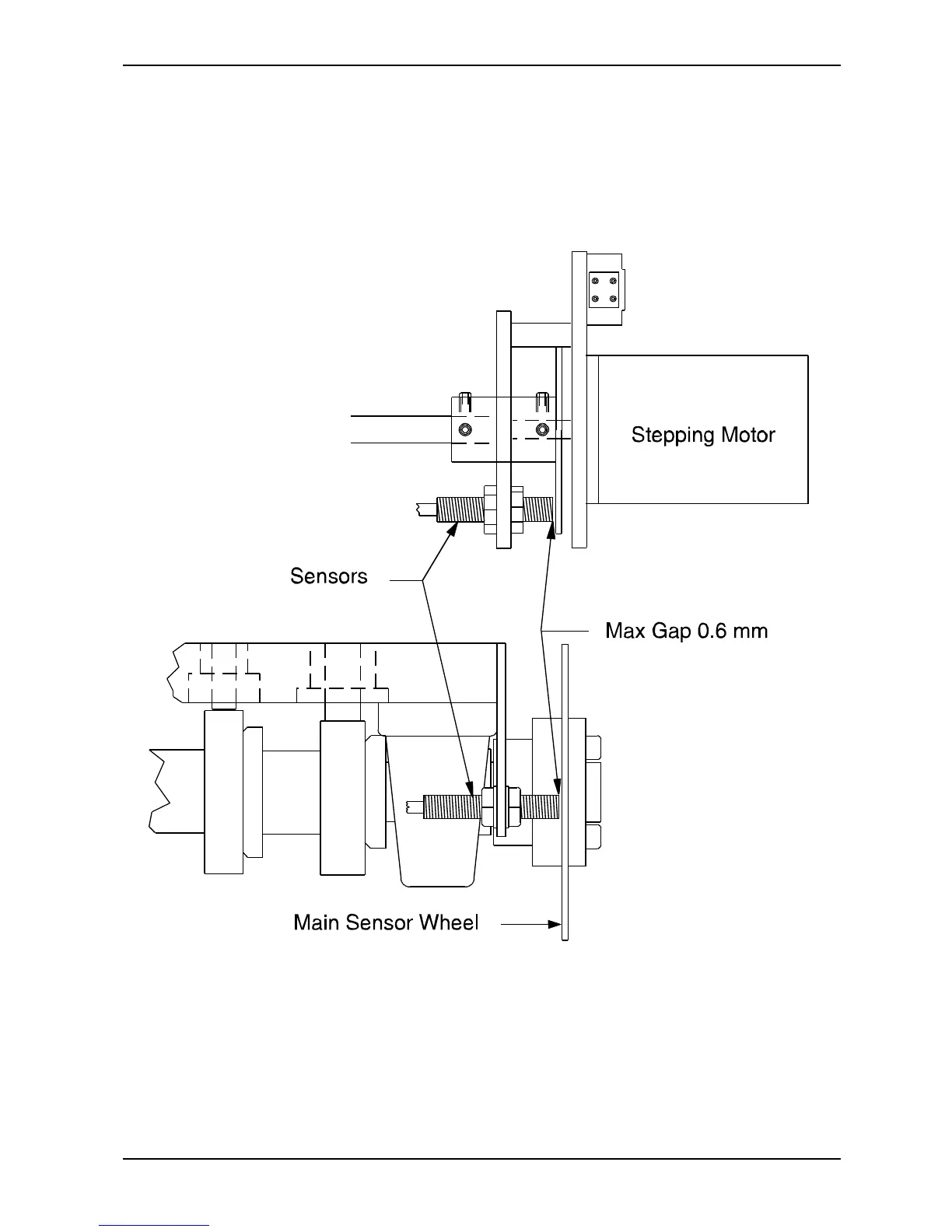
3.14 Inductive Sensors, Replacing and Adjusting
When replacing the sensors, the gap between the sensor wheel and the sensors can be maximum 0.6 mm.
See figure below.