EasyManua.ls Logo

Braillo 200 - Overview Spareparts, Side

Braillo 200
62 pages
Print Icon
To Next Page IconTo Next Page
To Next Page IconTo Next Page
To Previous Page IconTo Previous Page
To Previous Page IconTo Previous Page
Loading...
BRAILLO M NORWAY AS B 200
50
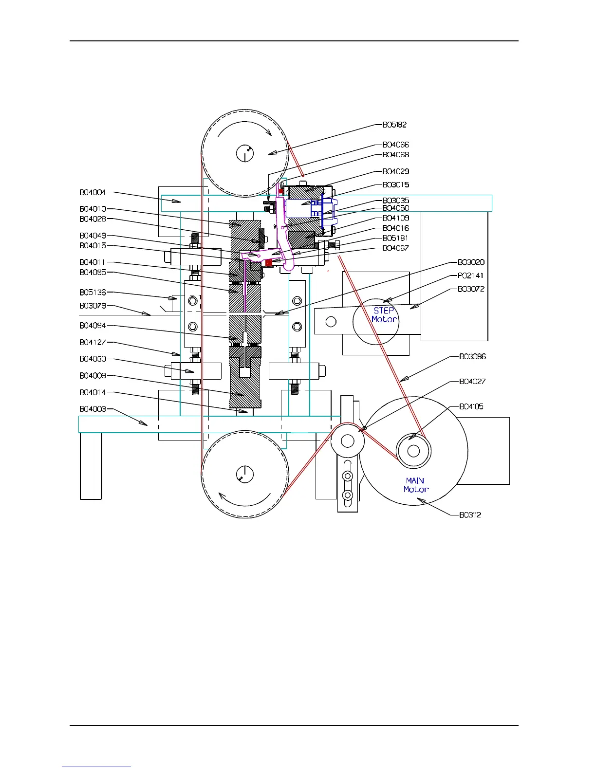
4.2 Overview Spareparts, Side