EasyManua.ls Logo

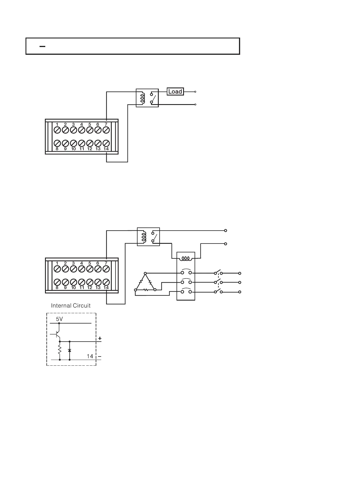
Brainchild BTC-2500 - Alarm 1 Wiring

Brainchild BTC-2500
142 pages
Print Icon
To Next Page IconTo Next Page
To Next Page IconTo Next Page
To Previous Page IconTo Previous Page
To Previous Page IconTo Previous Page
Loading...
2 13 Alarm 1 Wiring2 13 Alarm 1 Wiring
120V/240V
Mains Supply
120V/240V
Mains
Supply
Max. 2A
Resistive
Max. 2A
Resistive
5V DC
Relay
5V DC
Relay
5V DC
Relay
5V DC
Relay
Single Phase LoadSingle Phase Load
Three Phase LoadThree Phase Load
Figure 2.16
Alarm 1 Wiring
Figure 2.16
Alarm
1 Wiring
120V /240V
Mains Supply
120V /240V
Mains
Supply
No Fuse
Breaker
No Fuse
Breaker
Three
Phase
Heater
Power
Three
Phase
Heater
Power
Three Phase
Delta
Heater
Load
Three Phase
Delta
Heater
Load
Contactor
UM25001C
34
12
34
5
8910
11
67
12
13
14
12
34
5
8910
11
67
12
13
14
Load
Internal CircuitInternal Circuit
5V
14
7
1K
0V

Table of Contents

Related product manuals