EasyManua.ls Logo

Brainchild BTC-2500 - Page 91

Brainchild BTC-2500
142 pages
Print Icon
To Next Page IconTo Next Page
To Next Page IconTo Next Page
To Previous Page IconTo Previous Page
To Previous Page IconTo Previous Page
Loading...
UM25001C
60 minutes60 minutes 60 minutes60 minutes
60 C60 C 60 C60 C
5 minutes5 minutes
30
minutes
30
minutes
35
minutes
35
minutes
65 minutes65 minutes
-10 C-10 C -10 C-10 C
Figure 5.9Figure 5.9
Temperature Profile
of Chamber
Temperature Profile
of
Chamber
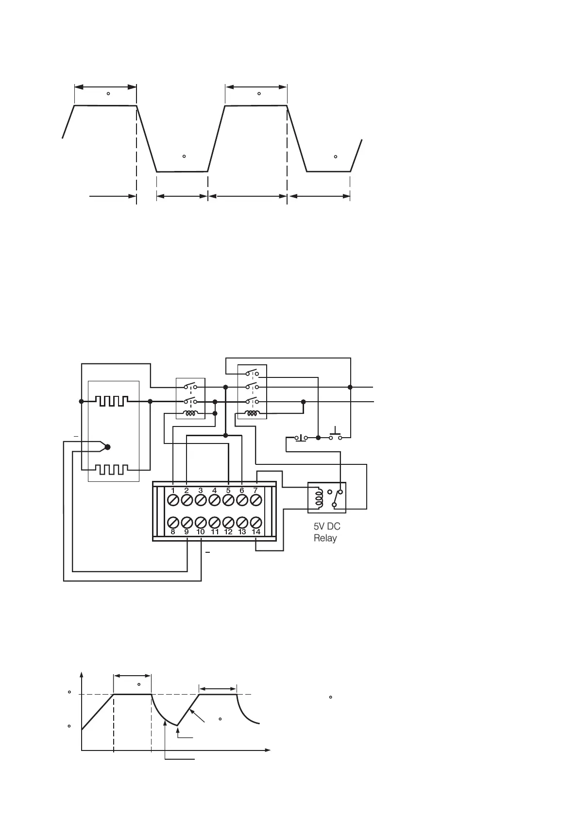
Example 2: Programmable Bread Baking OvenExample 2: Programmable Bread Baking Oven
Bread is baked in batches. A ramp is incorporated to control the thermal
gradient to suit for making the bread. A dwell timer is used to shut off the oven
power and announce the baker. The system is configured as shown in the
following diagram.
Bread is baked in batches. A ramp is incorporated to control the thermal
gradient
to suit for making the bread. A dwell timer is used to shut off the oven
power
and announce the baker. The system is configured as shown in the
following
diagram.
Figure 5.10Figure 5.10
A Bread Baking OvenA Bread Baking Oven
+
+
AC RelayAC Relay
OFF
ON
220VAC
Mains
220VAC
Mains
Heater
Heater
Baking
Oven
Baking
Oven
Push ON switch to start a batch. The temperature will rise with a ramp rate
determined by RAMP value. Bread is baked with the set point temperature for
a definite time which is programmed by TIME value, and then the power is
shut off. The temperature profile is shown in the following Figure.
Push ON switch to start a batch. The temperature will rise with a ramp rate
determined
by RAMP value. Bread is baked with the set point temperature for
a
definite time which is programmed by TIME value, and then the power is
shut
off. The temperature profile is shown in the following Figure.
BTC-2500 provides 4-20 mA signal to control the speed of the Inverter.SP.P2
being chosen for EIFN is for the purpose of accomplishing a dual PID control.
You can perform auto-tuning twice at SP1 and SP2 for initial setup to the dual
PID values. Refer and .sections 3-20 4-3
BTC-2500 provides 4-20 mA signal to control the speed of the Inverter.SP.P2
being
chosen for EIFN is for the purpose of accomplishing a dual PID control.
You
can perform auto-tuning twice at SP1 and SP2 for initial setup to the dual
PID
values. Refer and .sections 3-20 4-3
40
minutes
40
minutes
40
minutes
40
minutes
180 C180 C
180 C180 C
Cooling
down
Cooling
down
Restart a
new batch
Restart a
new
batch
30 C/min30 C/min
PV
30 C30 C
5
45
Time
( minutes )
Time
(
minutes )
A1FN=TIMR
SPMD=MINR
Time=40.0 ( minutes )
RAMP=30.0 ( C/min )
Alarm 1: Form B Relay
A1FN=TIMR
SPMD=MINR
Time=40.0
( minutes )
RAMP=30.0
( C/min )
Alarm
1: Form B Relay
Figure 5.11Figure 5.11
Temperature Profile
of Baking Oven
Temperature Profile
of
Baking Oven
91
12
34
5
8910
11
67
12
13
14
5V DC
Relay
5V DC
Relay

Table of Contents

Related product manuals