EasyManua.ls Logo

Broderson IC-40-D - Page 57

Broderson IC-40-D
73 pages
Print Icon
To Next Page IconTo Next Page
To Next Page IconTo Next Page
To Previous Page IconTo Previous Page
To Previous Page IconTo Previous Page
Loading...
3-15
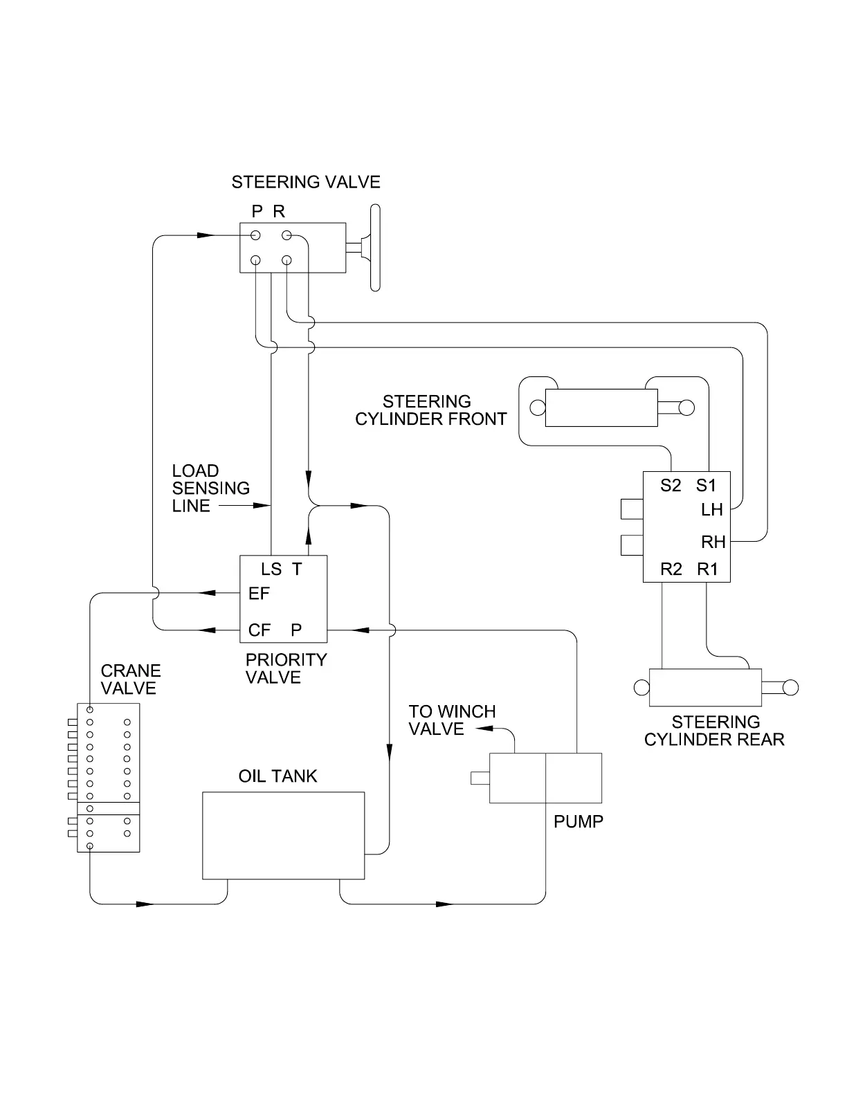
STEERING SYSTEM

Related product manuals