EasyManua.ls Logo

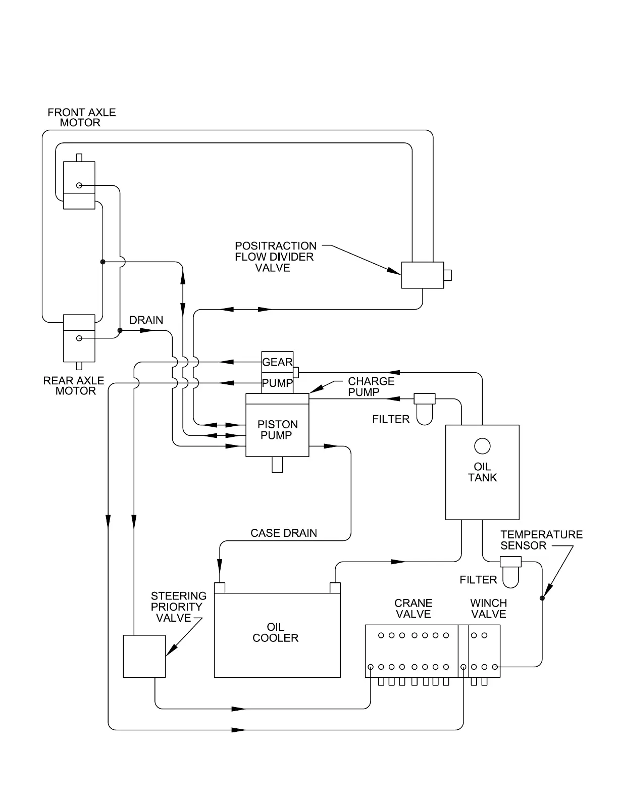
Broderson IC-40-D - IC-40 Propulsion System

Broderson IC-40-D
73 pages
Print Icon
To Next Page IconTo Next Page
To Next Page IconTo Next Page
To Previous Page IconTo Previous Page
To Previous Page IconTo Previous Page
Loading...
3-17
IC-40 PROPULSION SYSTEM

Related product manuals