EasyManua.ls Logo

Broderson IC-40-D - Start-Up Procedure - Piston Pump

Broderson IC-40-D
73 pages
Print Icon
To Next Page IconTo Next Page
To Next Page IconTo Next Page
To Previous Page IconTo Previous Page
To Previous Page IconTo Previous Page
Loading...
3-18
START-UP PROCEDURE -- PISTON PUMP
When initially starting a new or rebuilt transmission pump, it is extremely important that
the start-up procedure be followed. It prevents damaging the unit that might occur if the
system is not properly purged and charged with oil before start-up.
1. After the propulsion components have been properly installed, fill pump housing at
least half full with new hydraulic fluid, as specified on page 3-21. Connect all
hydraulic lines and check to be sure they are tight.
2. Check the wiring connections to the pump control.
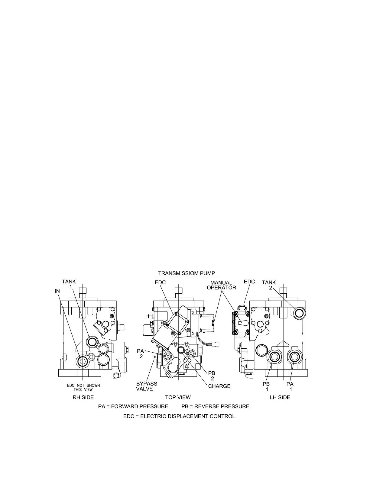
3. Fill the reservoir with approved hydraulic fluid that is new and clean. Install a 0 to 300
PSI (0 to 20 bar) gauge in the charge pressure port. The port is the highest port on
top of the pump and has a #6 elbow with a ¼” hose that connects with the brake
release valve. This may be disconnected, or a tee may be inserted. See figure
below.
4. Gasoline or L.P. Engines: Remove the coil wire and turn the engine over for 15
seconds. Diesel Engines: Shut off the fuel flow to the injectors and turn the engine
over for 15 seconds. This procedure enables the charge pump to pick up the oil
before start-up.
5. Replace the coil wire or return the fuel flow to the injectors. Keep the transmission
control switch in the neutral position, start the engine, and run it at a low idle. The
charge pump should immediately pick up oil and fill the system. If there is no
indication of fill in 30 seconds (gauge in charge pressure port of the pump should
register about 220 PSI (15 bar)), stop engine and determine the cause.

Related product manuals