EasyManua.ls Logo

Brother BAS-415 - Page 112

Brother BAS-415
134 pages
Print Icon
To Next Page IconTo Next Page
To Next Page IconTo Next Page
To Previous Page IconTo Previous Page
To Previous Page IconTo Previous Page
Loading...
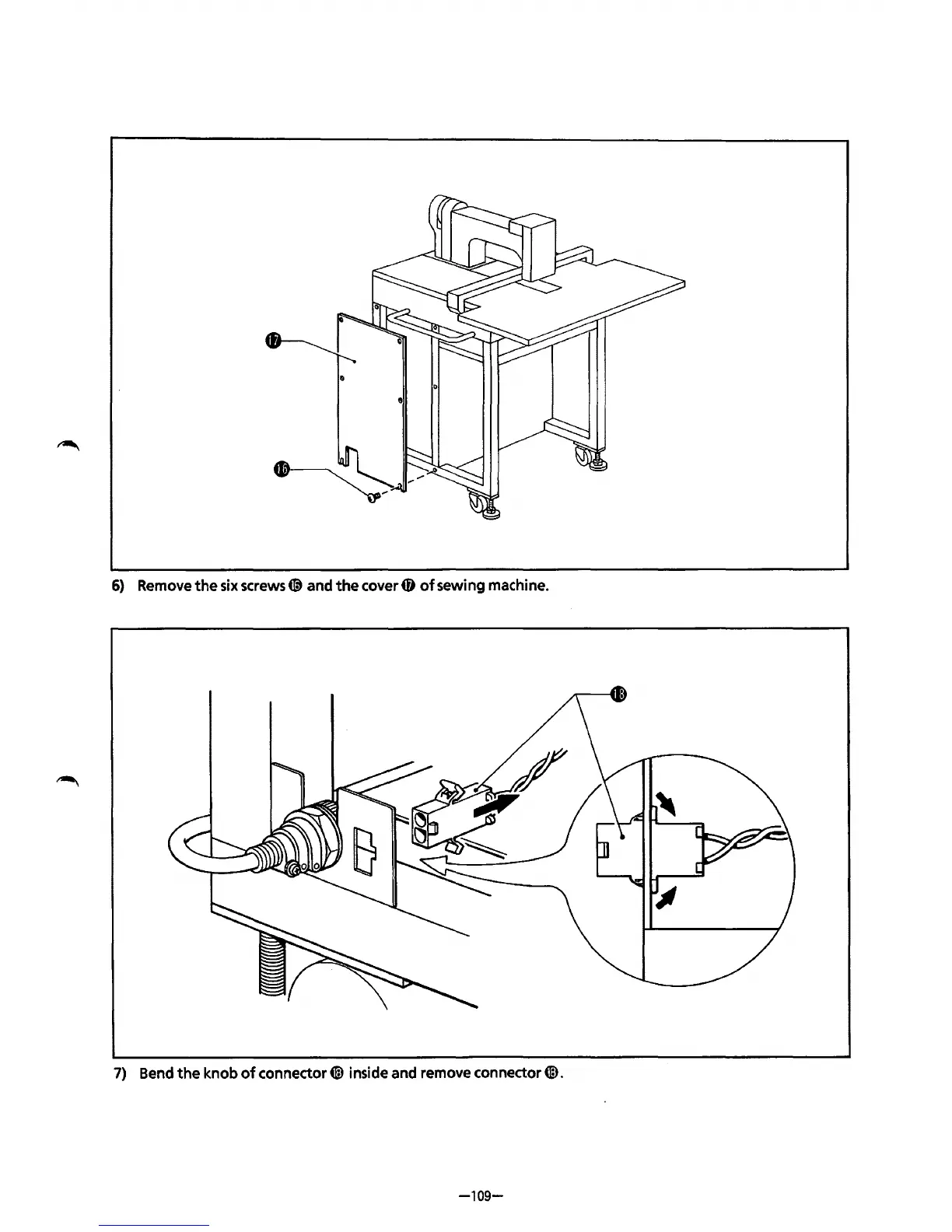
6)
Removethesixscrews@ and
the
cover$
of
sewing machine.
7)
Bend
the knob
of
connector@ inside and remove connector@.
-109-
From the library of: Superior Sewing Machine & Supply LLC

Table of Contents

Related product manuals