EasyManua.ls Logo

BTU XT-70 - Page 61

BTU XT-70
107 pages
Print Icon
To Next Page IconTo Next Page
To Next Page IconTo Next Page
To Previous Page IconTo Previous Page
To Previous Page IconTo Previous Page
Loading...
61
BTU VENTILATION CORPORATION OFFICE 888-884-8070 FAX 218-346-7485
www.btucorp.com
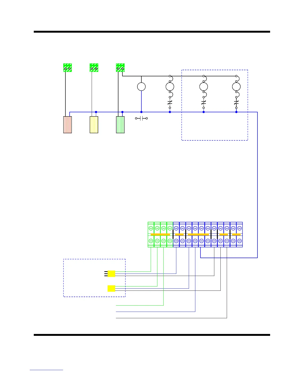
XT-70 Control Panel 61
FAN
FREQ
DRIVE
120VAC
RELAY
FREQ DRIVE
OPTION RELAY
TO DRIVE START
INPUT
FAN
120VAC
MAG
STARTER
NON
FREQ
DRIVE
OPTION
OL OL OL
HUMID 1
HEAD
MAG
STARTER
HUMID 2
HEAD
MAG
STARTER
HUMIDITY CONTROL OPTION
THE HUMIDIFER HEADS ARE ON ANY
TIME THE FANS ARE RUNNING.
THE PUMPS ARE PULSED ON AND
OFF.
120VAC FIELD WIRING
J2 J7 J9
RED
LIGHT
YELLOW
LIGHT
GREEN
LIGHT
120VAC male plug
120VAC female plug
UPS CONNECTION
G
N
L1
120 VAC
PANEL
POWER
GND
UPS NEUTRAL
SYSTEM NEUTRAL
UPS L1
SYSTEM L1
1 2 3
8.1