EasyManua.ls Logo

Bucher C-LRV 700 - 1.3.4 Technical Data - Dimensions and Ports

Default Icon
92 pages
Print Icon
To Next Page IconTo Next Page
To Next Page IconTo Next Page
To Previous Page IconTo Previous Page
To Previous Page IconTo Previous Page
Loading...
CLRV lift control valve Product description
16/92
300−I−9010212−E−10/08.08
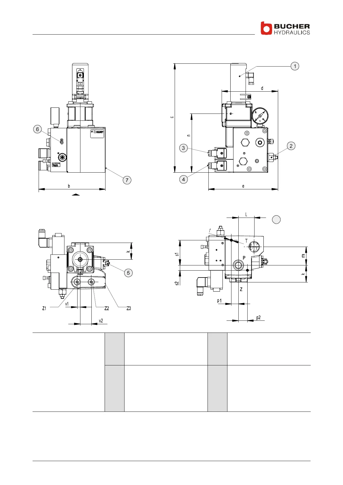
1.3.4 Technical data
300−7−10015573
H*
R*
L*
a
A
Legend 1
2
3
4
Flow−rate measuring system
Pressure−relief valve
DOWN solenoid
UP solenoid
5
6
7
a View A
Z1
Z2
Z3
P
T
Z
Pressure switch port
Pressure switch port
Hand pump port
Pump port
Tank port
Cylinder port
H*
L*
R*
Orientation of Z port
(specify when ordering!)
rear (standard)
left
right

Table of Contents

Related product manuals