EasyManua.ls Logo

Bucher C-LRV 700 - 4 Installation and Commissioning (continued); 4.2.4 Electrical Emergency-Lowering - 2 x24 VDC

Default Icon
92 pages
Print Icon
To Next Page IconTo Next Page
To Next Page IconTo Next Page
To Previous Page IconTo Previous Page
To Previous Page IconTo Previous Page
Loading...
CLRV lift control valve Installation and commissioning
50/92
300−I−9010212−E−10/08.08
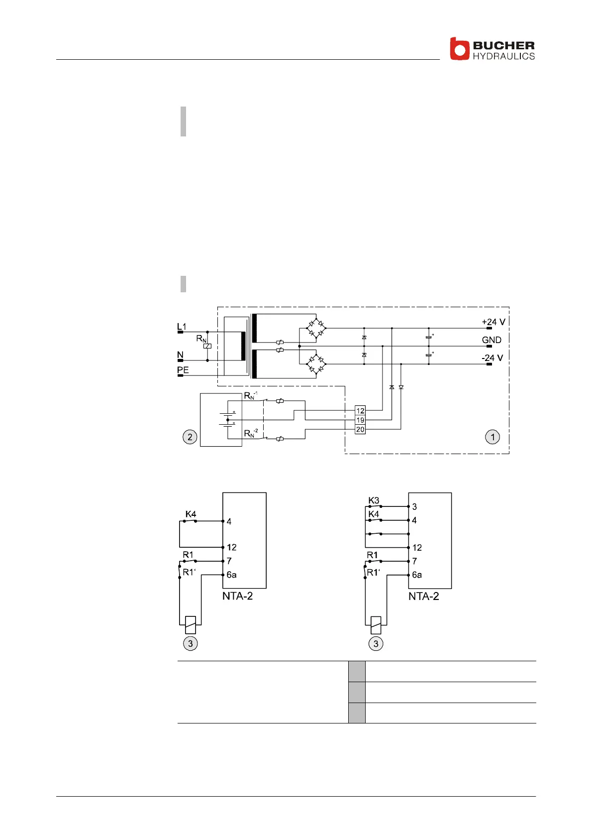
4.2.4 Electrical emergency−lowering 2 x 24 VDC
Important: the operator must undertake any further measures required
to ensure short−circuit and overvoltage protection.
If a mains (line) failure occurs, the power supply unit can be powered by
an external battery supply (2 x 24 V) through terminals 12, 19 and 20.
S Relay R
N
drops out when there is a power failure and the two nor-
mally−closed contacts R
N
−1
and R
N
−2
connect to the battery
I Inputs 19 and 20 have diode−protection from polarity reversal or feed-
back to the battery
S The lift can be lowered to a predefined stopping position by means of
"Slow DOWN" or auxiliary speed K6...K8 (travel signals are gener-
ated by the lift control system).
Important: only possible with 2 x 24V (or 4 x 12V) batteries
Slow DOWN Auxiliary speed
K6/K7/K8
21/22/23
Legend 1 NTA−2 power supply unit
2 Supplied by customer
3 DOWN solenoid

Table of Contents

Related product manuals