EasyManua.ls Logo

Calorex Pro-Pac PPT45EHC - Page 12

Calorex Pro-Pac PPT45EHC
104 pages
Print Icon
To Next Page IconTo Next Page
To Next Page IconTo Next Page
To Previous Page IconTo Previous Page
To Previous Page IconTo Previous Page
Loading...
CALOREX
33 l/min
33
D436852 ISS 3
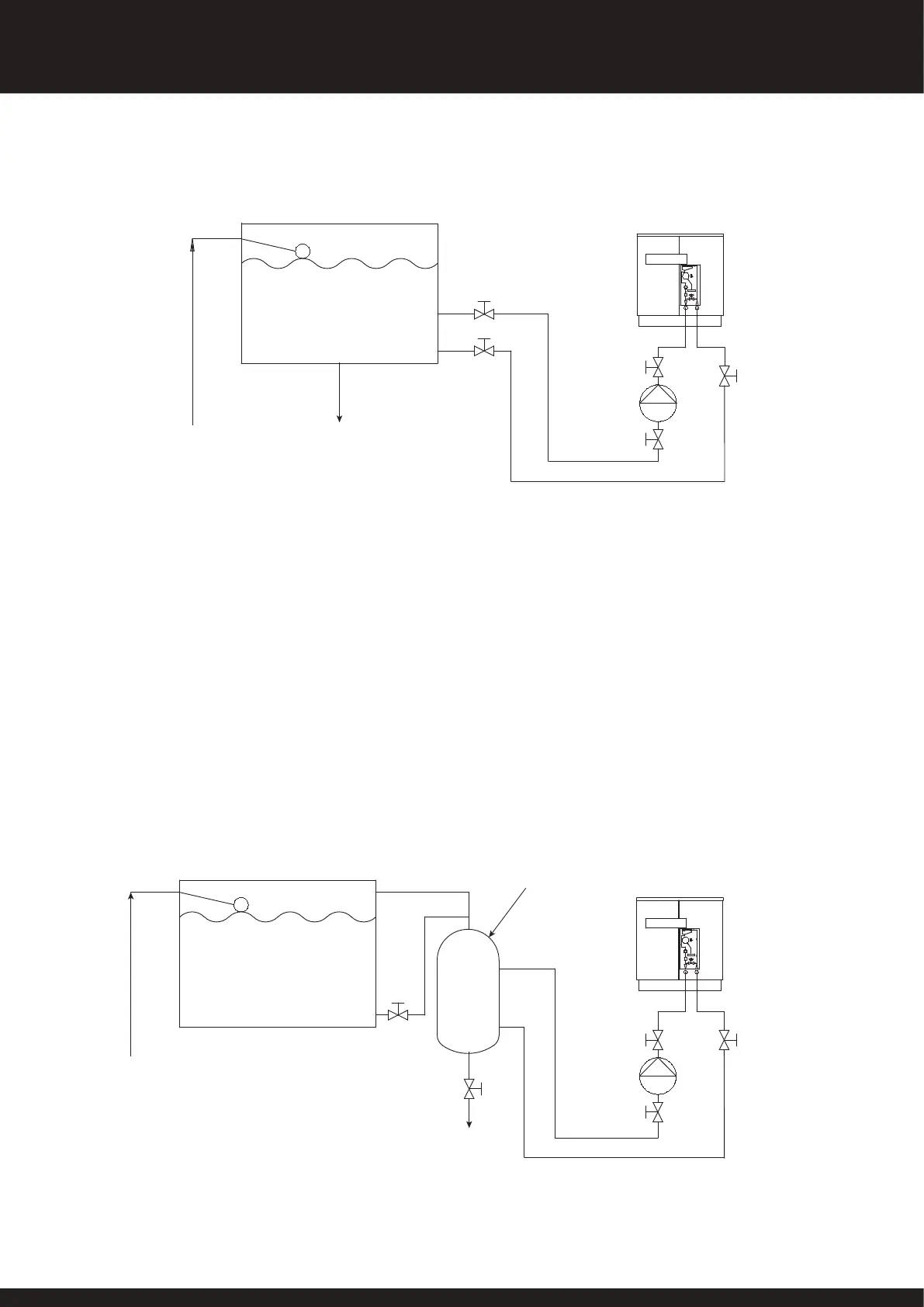
MAINS WATER
FEED
TO DOMESTIC COLD WATER SERVICES
EXISTING COLD WATER STORAGE TANK (INSULATED)
UP TO 500 LITRES CAPACITY
CALOREX WATER CHILLER
CIRCULATING
PUMP
RECOMMENDED INSTALLATION OF CALOREX CHILLER TO COOL DOMESTIC WATER
ALTERNATIVE INSTALLATION OF CALOREX CHILLER TO BE CONSIDERED WHEN
EXISTING
STORAGE TANK IS INADEQUATELY INSULATED OR LARGER THAN 500 LITRES CAPACITY
CALOREX
33 l/min
33
D436852 ISS 3
MAINS WATER
FEED
TO DOMESTIC
COLD WATER
SERVICES
EXISTING COLD WATER STORAGE TANK
CALOREX WATER CHILLER
CIRCULATING
PUMP
VENT
FILL
BUFFER TANK (DIRECT TYPE)
NOMINAL CAPACITY 125-250 LITRES
12
SD566250 ISSUE 35
PR0-PAC SYSTEM OWNER INSTALLATION MANUAL

Related product manuals