EasyManua.ls Logo

Calorex Pro-Pac PPT45EHC - Page 64

Calorex Pro-Pac PPT45EHC
104 pages
Print Icon
To Next Page IconTo Next Page
To Next Page IconTo Next Page
To Previous Page IconTo Previous Page
To Previous Page IconTo Previous Page
Loading...
CALOREX
33 l/min
33
D436852 ISS 3
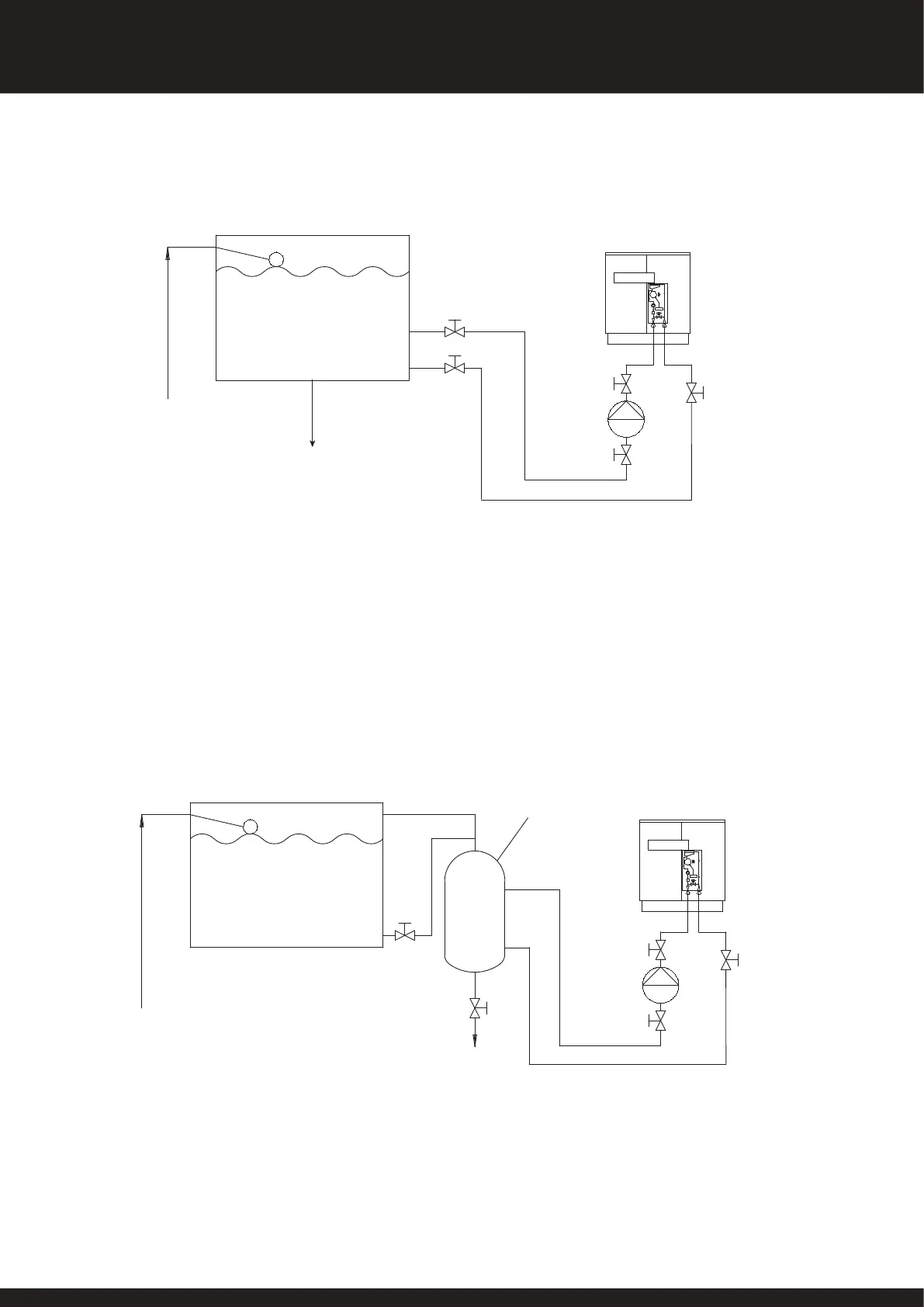
ALIMENTATION PRINCIPALE EN EAU
VERS LES DEMANDES EN EAU FROIDE DOMESTIQUE
RÉSERVOIR D'EAU FROIDE (THERMIQUEMENT ISOLÉ CAPACITÉ JUSQU' À 500 LITRES)
REFROIDISSEUR CALOREX
POMPE DE
CIRCULATION
INSTALLATION RECOMMANDÉE POUR UN REFROIDISSEUR D'EAU DOMESTIQUE CALOREX
INSTALLATION ALTERNATIVE DU REFROIDISSEUR CALOREX LORSQUE CE RESERVOIR
D'EAU EST MAL ISOLÉ OU DONT LA CAPACITÉ EST SUPERIEURE À 500 LITRES
CALOREX
33 l/min
33
D436852 ISS 3
ALIMENTATION PRINCIPALE EN EAU
VERS LES DEMANDES
EN EAU FROIDE
DOMESTIQUE
RÉSERVOIR D'EAU FROIDE
REFROIDISSEUR CALOREX
PURGE D'AIR
VANNE DE REMPLISSAGE
RESERVOIR TAMPON
(DIRECT TYPE)
CAPACITE 125-250 LITRES
POMPE DE
CIRCULATION
12
SD566250 ISSUE 35
SYSTEME PRO-PAC MANUEL D’INSTALLATION

Related product manuals