EasyManua.ls Logo

Carrier 38APS025 - Power Wiring Schematic - 38 APS065 (Typical)

Carrier 38APS025
242 pages
To Next Page IconTo Next Page
To Next Page IconTo Next Page
To Previous Page IconTo Previous Page
To Previous Page IconTo Previous Page
Loading...
12
17
16
16
a38-7414
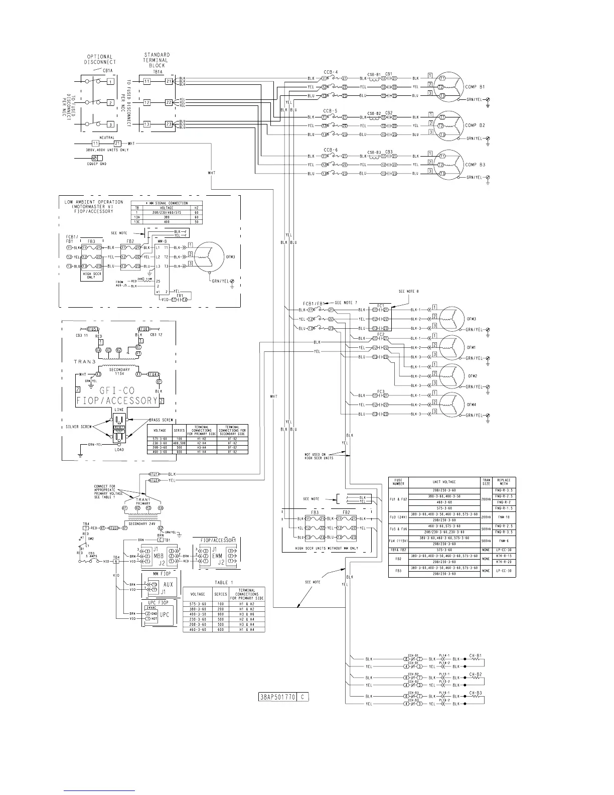
Fig. 8 — Power Wiring Schematic — 38APS065 (Typical)
NOTE: Typical drawing shown. Refer to
unit wiring diagram label for specific unit.

Table of Contents

Related product manuals