EasyManua.ls Logo

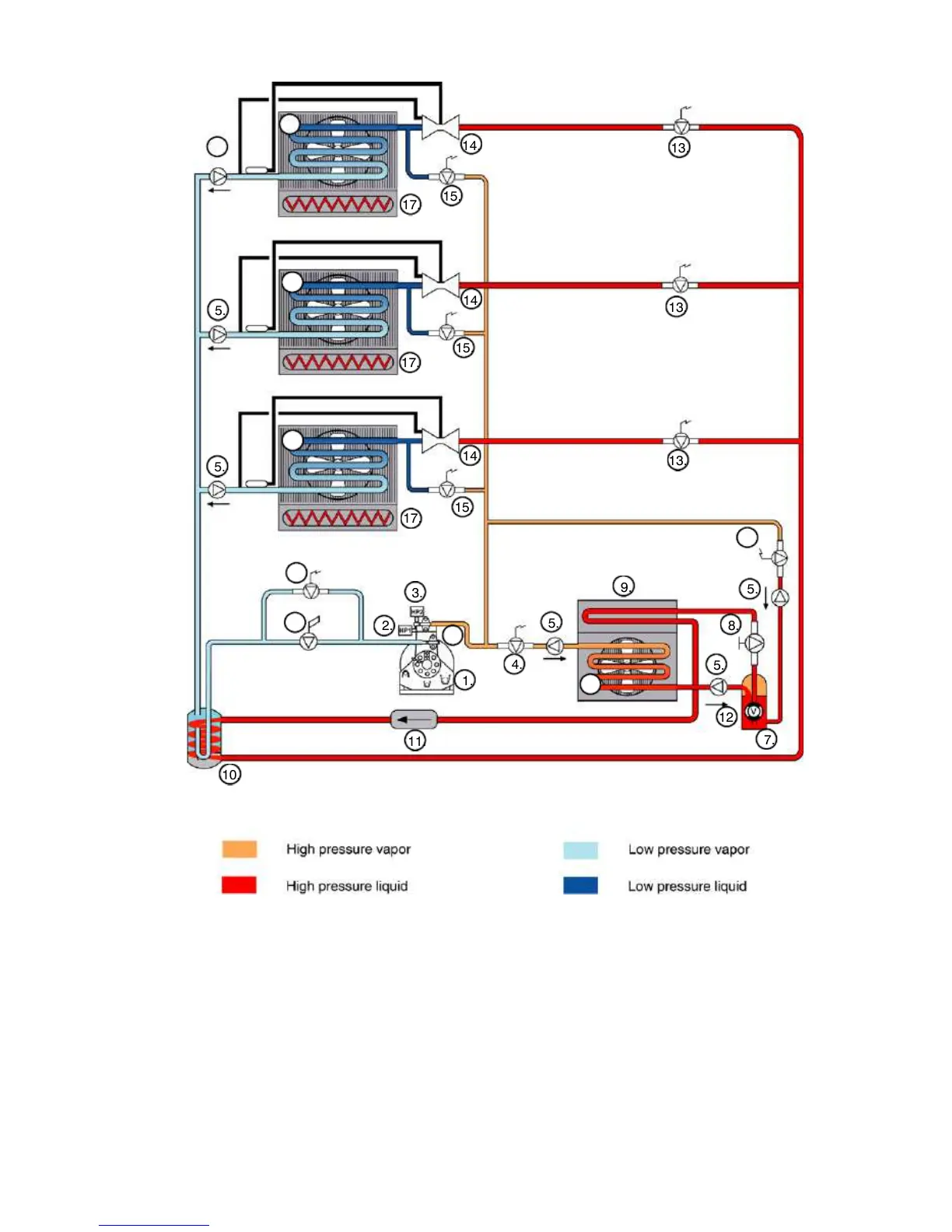
Carrier SUPRA 950Mt - Figure 2-17 Cooling Cycle

Carrier SUPRA 950Mt
92 pages
To Next Page IconTo Next Page
To Next Page IconTo Next Page
To Previous Page IconTo Previous Page
To Previous Page IconTo Previous Page
Loading...
2-34
62-
-611XX-
-20
(03/04)
1.
Com
pre
ssor
2.
High
pressu
re
switch
(HP)
3.
Discha
rge
servic
e
valve
4.
Mai
n he
at v
alv
e (M
HV)
5.
Che
ck
val
ve
6.
Co
nd
en
ser
7.
Re
ce
iv
er
8.
Receive
r
servi
ce
valve
9.
Su
bco
ol
er
10.
Accumul
ator/
Heat
exchange
r
1
1.
Filt
er-dr
ier
12.
Sig
ht
gla
ss
13.
Liqui
d
soleno
id
valve
(LSV)
14.
Expa
nsi
on
val
ve
15.
Hot
gas
val
ve (
HGV)
16.
Evap
ora
tor
17.
Ele
ctr
ic
hea
ter
18.
Compre
ssor
pressur
e
regulating valve (CPR)
19.
Suction
service
valve
20.
Receive
r p
ressur
e val
ve (
RPV)
21.
Bypa
ss
val
ve (
850
Mt
_
only)
1.
2.
3.
4.
5.
7.
8.
9.
5.
5.
10.
11.
12.
13.
13.
13.
14.
15.
15.
15.
14.
14.
17.
17.
17.
5.
5.
5.
16.
16.
6.
16.
20.
18.
21.
19.
Figur
e 2-
17
Cool
ing C
ycl
e

Table of Contents

Other manuals for Carrier SUPRA 950Mt

Related product manuals