EasyManua.ls Logo

CEA ROCK 160 - Introduction; Description; Technical data; Electro topographical diagram

CEA ROCK 160
Print Icon
To Next Page IconTo Next Page
To Next Page IconTo Next Page
To Previous Page IconTo Previous Page
To Previous Page IconTo Previous Page
Loading...
68
2101FE29
ROCK 160
IT
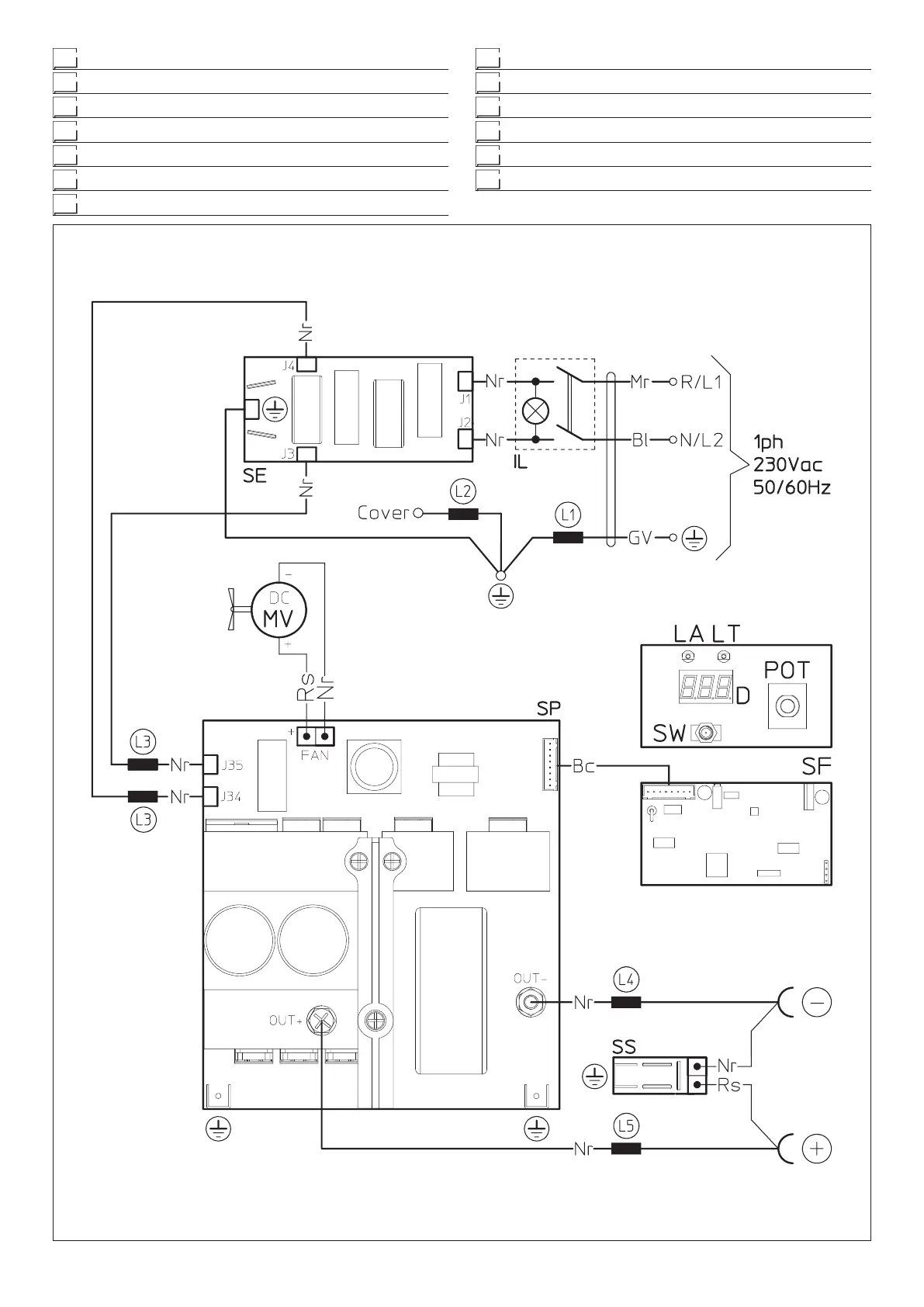
Schema elettrotopografico
EN
Electro topographical diagram
FR
Schéma électrophotographique
DE
Elektrotopografischer Plan
ES
Esquema electro-topográfico
NL
Elektrisch topografisch schema
PT
Esquema eléctrico topográfico
BG
Електротопографскасхема
PL
Schemat elektrotopograficzny
SK
Elektro-topografická schéma
HU
Elektromos kapcsolási és elrendezési rajz
EL
Ηλεκτρικώνιαγραμμάτω
RU
Электротопографическаясхема

Table of Contents

Related product manuals