EasyManua.ls Logo

Chery SQR372 - 6. Oil pump; 6-1 Configuration diagram; 6-2 Dismounting

Chery SQR372
44 pages
Print Icon
To Next Page IconTo Next Page
To Next Page IconTo Next Page
To Previous Page IconTo Previous Page
To Previous Page IconTo Previous Page
Loading...
SQR7080 Service Manual 372 Engine Mechanical System
Chery Automobile Co., Ltd
26
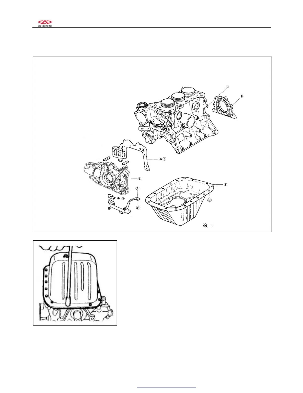
6. Oil pump
6-1 Configuration diagram (The dismounting and installation of the lubricating oil pump should be
carried out according to the following procedures).
Oil pantighten bolt8±2 Nm
Oil strainer
Oil collector gasket
Oil pump
Oil pump gasket
Rear oil seal bracket
6-2 Dismounting
1 The engine being turned upside down on the
dismounting frame, take off the bolts.
Non-reusable part
PDF 文件使用 "pdfFactory Pro" 试用版本创建 ÿ www.fineprint.com.cn

Other manuals for Chery SQR372

Related product manuals