EasyManua.ls Logo

Chino DB670 - Trial Operation Procedure

Default Icon
150 pages
Print Icon
To Next Page IconTo Next Page
To Next Page IconTo Next Page
To Previous Page IconTo Previous Page
To Previous Page IconTo Previous Page
Loading...
[DB600] General Instruction Manual
- 32 -
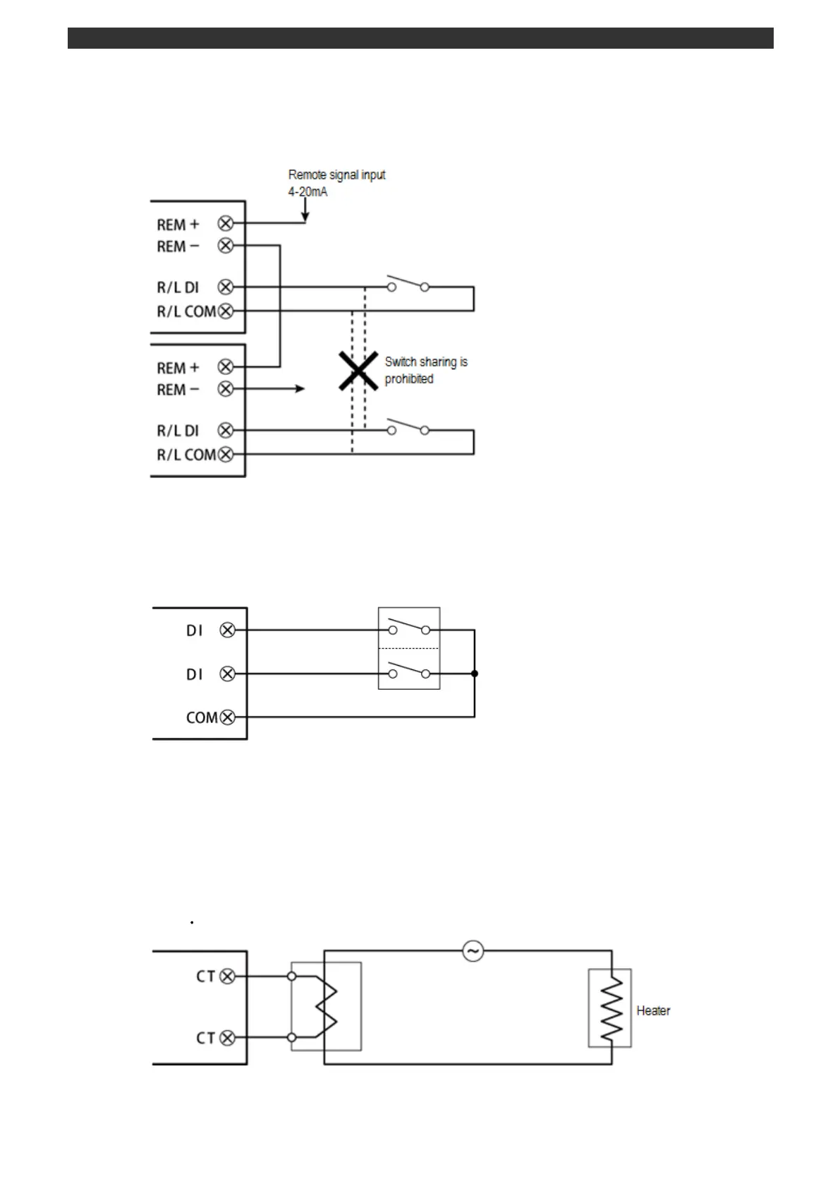
Wiring of remote signal input 4.
Measurement error occurs if remote signal input 4-20mA specification is connected as series
connection and R/L (analog) DI of each instrument is shorted (turn ON) by common switch. For
series connection, individual switch for R/L (analog) DI of each instrument is required.
[This instrument]
Wiring of external signal input 5.
Each external signal input (DI) are operated by short (turn ON) DI COM terminals. Generally operate
by switch or relay, however it can be operated by open corrector output signal of peripheral devices.
About 5V2mA is applied to the switch. Pay attention to contact capacity.
[This instrument]
Wiring of current transformer (CT) for heater disconnection detection 6.
(DB650/DB670)
Heater disconnection detection alarm does alarm judgment by measuring heater current by current
transformer sold separately.
Connect current transformer to CT input terminal of this instrument.
Also, please purchase current transformer (CT) of specified model manufactured by U_RD.
U.R.D. International inc. [CTL-6-S-H]
[This instrument]

Table of Contents

Related product manuals