EasyManua.ls Logo

CIMLINE C1 - Hydraulic Schematic

Default Icon
60 pages
Print Icon
To Next Page IconTo Next Page
To Next Page IconTo Next Page
To Previous Page IconTo Previous Page
To Previous Page IconTo Previous Page
Loading...
39
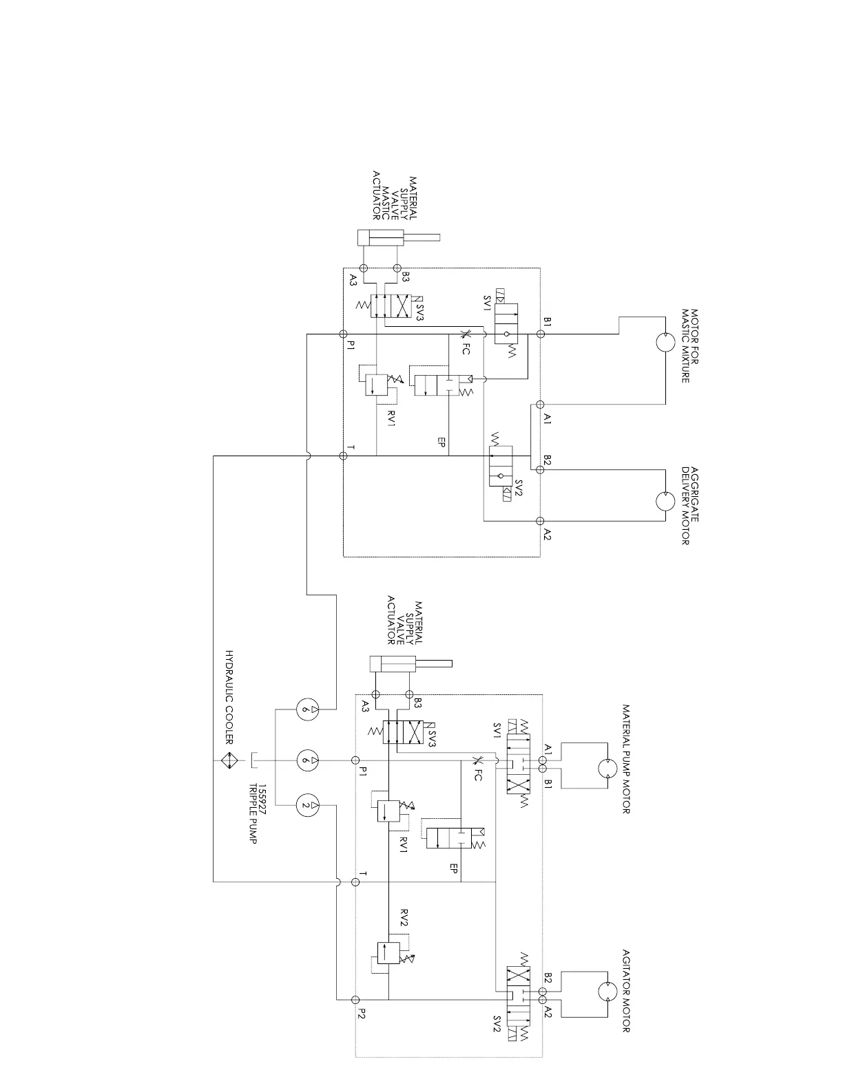
Hydraulic Schematic
For Compressor Hydraulics, see Supplement manual

Related product manuals