EasyManua.ls Logo

Circutor RGU-10 - Connection with current emission coil

Circutor RGU-10
46 pages
Print Icon
To Next Page IconTo Next Page
To Next Page IconTo Next Page
To Previous Page IconTo Previous Page
To Previous Page IconTo Previous Page
Loading...
20
RGU-10, RGU-10C
Instruction Manual
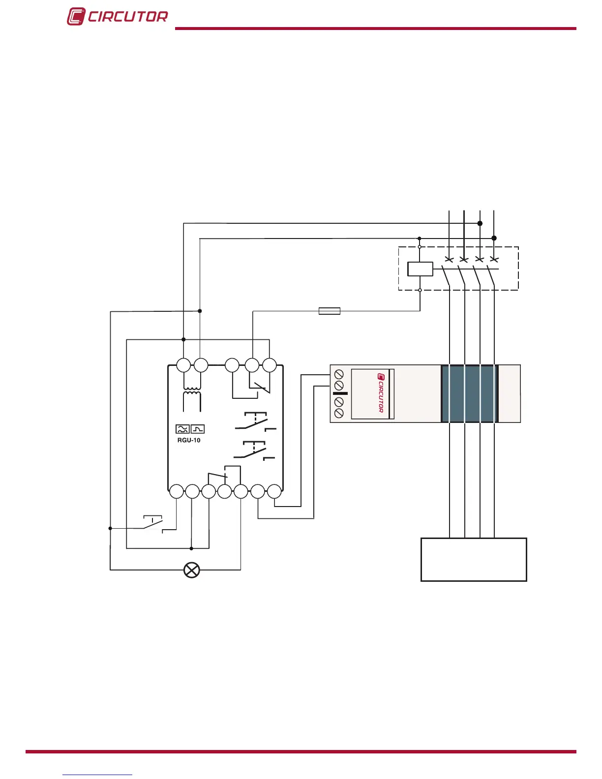
3�4�3�2�- Connection with current emission coil
When this type of safety is used using the current emission coil, it can only be assured that the
system will trip went the earth leakage relay is not operating correctly.
1�- The breaking device has the power to trip using the maximum current coil (automatic
switch).
2�- The device is set by programming by pressing Std/+ key in positive safety mode. The “+
symbol appears on the display.
NL1 L2
L3
1S1
1S2
Type
WGC
1S
1
1S
2
Reset
Test
1 2 4
5 6 8 9
10
11
13
14
15
UTILIZACIÓN
USE
ON / OFF externo
External ON / OFF
Disparo por BOBINA DE EMISIÓN
- Rearme Manual
Trip by SHUNT COIL
- Manual reclose
Figure 13: Positive safety, current emission coil�

Table of Contents

Other manuals for Circutor RGU-10

Related product manuals