EasyManua.ls Logo

Clarke C32H - PLD Maintenance; Weekly Exercise (PLD)

Clarke C32H
61 pages
Print Icon
To Next Page IconTo Next Page
To Next Page IconTo Next Page
To Previous Page IconTo Previous Page
To Previous Page IconTo Previous Page
Loading...
58
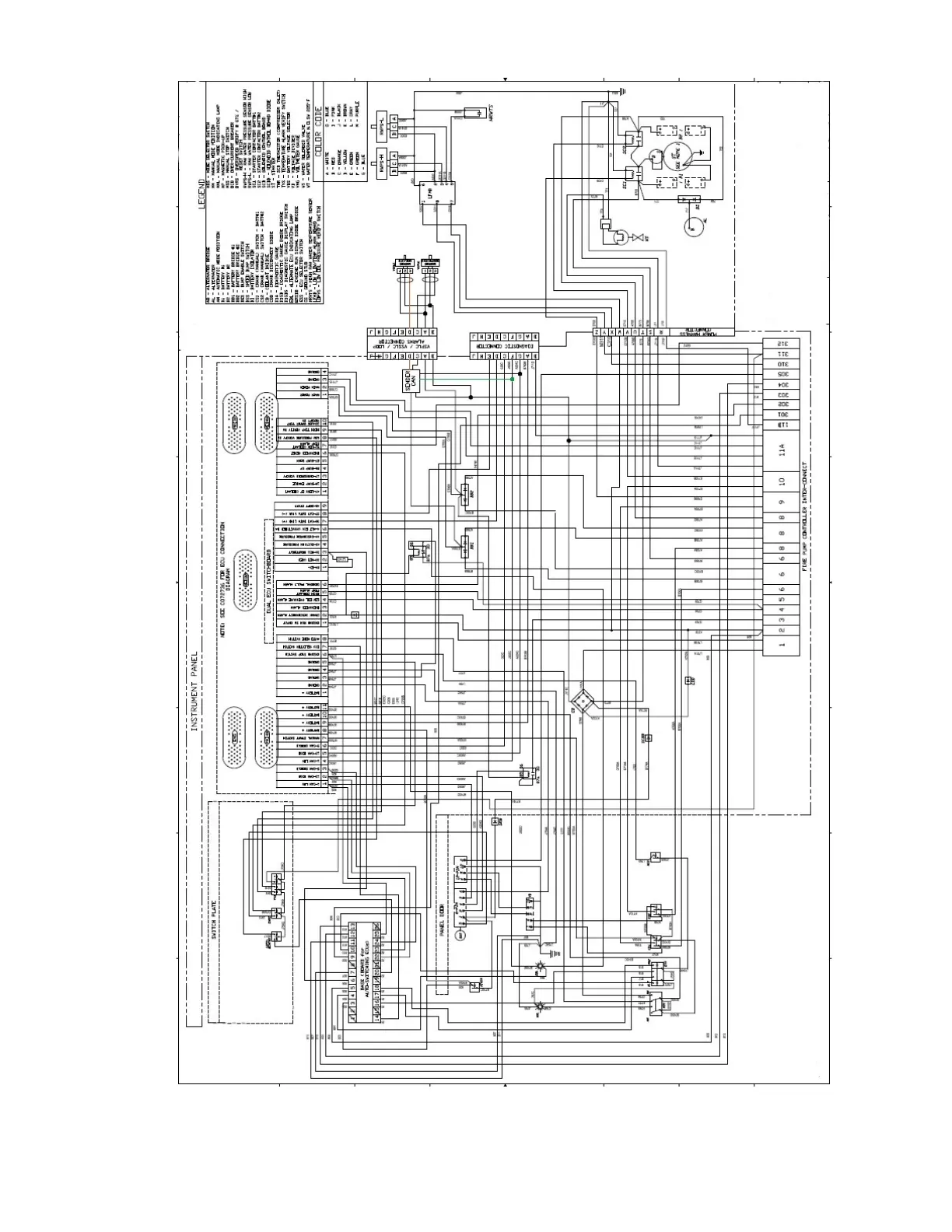
Figure #29 – Wiring Diagram

Table of Contents