EasyManua.ls Logo

Clevo PB70DDS - Internal AMP

Clevo PB70DDS
132 pages
Print Icon
To Next Page IconTo Next Page
To Next Page IconTo Next Page
To Previous Page IconTo Previous Page
To Previous Page IconTo Previous Page
Loading...
Schematic Diagrams
Internal AMP B - 81
B.Schematic Diagrams
Internal AMP
5
5
4
4
3
3
2
2
1
1
D D
C C
B B
A A
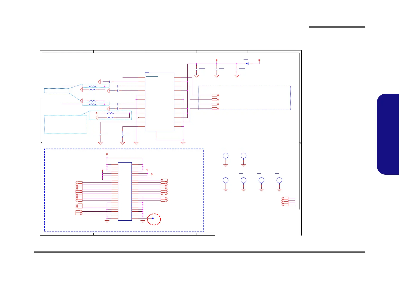
TPA2008D2 P2P BA20550 (TSSOP24)
The volume control.
The gain range is
from -38db (Vvolume=0V~0.33V)
to +20db (Vvolume=3.7V~VDD)
with 31 steps precise control.
Speaker wire length less than 8000mils , It don't need LC Filter.
SPKOUTR+,R-,L+,L- Trace width 40mils, Via hole --> C40D20.
Gain Value Adjust
20 mil
for Volume Adjust
AMP FOR INTERNAL SPEAKER
20 mil
CR BD_CONN
20191030 change to test
XAMP_EN_SPK
XFRONT_R
XFRONT_L
XGPP_H19_CR_AUX33
XGPP_B7_CR_RST#
XPCIE_RXN15_CR
XPCIE_RXP15_CR
XBUF_PLT_RST#
XCR_CLKREQ#
XCLK_PCIE_CR
XCLK_PCIE_CR#
XPCIE_TXN15_CR
XPCIE_TXP15_CR
XFRONT_R
XFRONT_L
XAMP_EN_SPK
XGPP_B8_CR_WAKE#
XGPP_H20_CR_MV33
XAMP_5VS
X5VS
X5VS
XAUDG
XAUDG
XAUDG
XAUDG
XAUDGXAUDGXAUDGXAUDG
XAUDG
XAUDG
XAUDG
XAUDG
XAUDG
XGNDXGND
XGND XGNDXGNDXGND
XGND XGND
X3.3VS X5VS
XAMP_PW R
X3.3V
XROUTP [84]
XROUTN [84]
XLOUTP [84]
XLOUTN [84]
XAMP_TYPE_DET [84]
XP_I2S_DOUT1 [82,83]
XP_I2S_SCLK [82,83]
XP_I2S_LRCK [82,83]
XSDA_5825 [82,83]
XFRONT_R [81]
XFRONT_L [81]
XAMP_EN_SPK [82]
XGPP_H19_CR_AUX33[79]
XGPP_H20_CR_MV33[79]
XCLK_PCIE_CR[79]
XCLK_PCIE_CR#[79]
XPCIE_TXP15_CR[79]
XPCIE_TXN15_CR[79]
XPCIE_RXP15_CR[79]
XPCIE_RXN15_CR[79]
XAMP_EN_WOOFER[81,83]
XGPP_B8_CR_WAKE#[79]
XBUF_PLT_RST#[79]
XGPP_B7_CR_RST#[79]
XCR_CLKREQ#[79]
X5VS[82]
X3.3V[79]
XAMP_PW R[81,82,83]
XSCL_5825 [82,83]
X3.3VS[79,81,82,83,84]
Title
Size
Document Number R e v
Date: Sheet
of
6-71-PB5DV-D02
D02
[80] CR BD NORM AMP_X
A4
80
84Tuesday, December 17, 2019
ᙔ!Ϻ!ႝ!တ!!DMFWP!DP/
PB50DF2
Title
Size
Document Number R e v
Date: Sheet
of
6-71-PB5DV-D02
D02
[80] CR BD NORM AMP_X
A4
80
84Tuesday, December 17, 2019
ᙔ!Ϻ!ႝ!တ!!DMFWP!DP/
PB50DF2
Title
Size
Document Number R e v
Date: Sheet
of
6-71-PB5DV-D02
D02
[80] CR BD NORM AMP_X
A4
80
84Tuesday, December 17, 2019
ᙔ!Ϻ!ႝ!တ!!DMFWP!DP/
PB50DF2
XL17
HCB1608KF-121T30
XC70 0.1u_25V_X5R_04
XC105 0.1u_25V_X5R_04
XC104 2.2u_6.3V_X5R_04
XR63 5.9K_1%_04
XC109
22u_6.3V_X5R_06
XJ_MB1
51049-05041-001
P/N = 6-21-C2400-225
PCB Footprint = 51049-0504x-1
Current = 0.5A/per pin
1
1
2
2
3
3
4
4
5
5
6
6
7
7
8
8
9
9
10
10
11
11
12
12
13
13
14
14
15
15
16
16
17
17
18
18
19
19
20
20
21
21
22
22
23
23
24
24
25
25
26
26
27
27
28
28
29
29
30
30
31
31
32
32
33
33
34
34
35
35
36
36
37
37
38
38
39
39
40
40
42
42
41
41
43
43
44
44
45
45
46
46
47
47
48
48
49
49
50
50
XC106 0.1u_25V_X5R_04
XC71 0.1u_25V_X5R_04
XR64 10K_1%_04
XH6
*H8_0D2_8
XR66 33K_1%_04
XC103
0.1u_6.3V_X5R_02
XH1
*H6_0D2_3X3_3
XR48 33K_1%_04
XH3
6-34-M56AS-011-1
XR46
120K_04
XU5
TPA2008D2
LINN
1
LINP
2
SHUTDOWN
3
PVDDL2
4
LOUTP
5
PGNDL1
6
PGNDL2
7
LOUTN
8
PVDDL1
9
COSC
10
ROSC
11
AGND
12
VDD
13
VOLUME
14
NC
15
PVDDR2
16
ROUTN
17
PGNDR1
18
PGNDR2
19
ROUTP
20
PVDDR1
21
BYPASS
22
RINP
23
RINN
24
Thermal_Pad
25
XR47 1K_04
XH2
6-34-M56AS-011-1
XR65 1K_04
XC69
0.1u_6.3V_X5R_02
XH5
*H8_0D2_8
XC68
220p_50V_NPO_04
XH4
*H10_0D2_8B8_0
Sheet 80 of 85
Internal AMP

Table of Contents

Related product manuals