EasyManua.ls Logo

Clevo PB70DDS - M.2 Wlan+Bt

Clevo PB70DDS
132 pages
Print Icon
To Next Page IconTo Next Page
To Next Page IconTo Next Page
To Previous Page IconTo Previous Page
To Previous Page IconTo Previous Page
Loading...
5
5
4
4
3
3
2
2
1
1
D D
C C
B B
A A
S0
S5/S4 S5/S4SusC
DD_ON
WLAN_PWR_EN
WLAN_EN
BT_EN
DD_ON and WLAN_PWR_EN , WLAN_EN , BT_EN signal between timing .
anywhere is Turn on or Turn off , it Timing tolerence is +- 1ms
point in BOT together
CLK_PCIEx_MINI
CLK_PCIEx_MINI
䶂枰
I/O
Trace(
USB
HDMI
D-SUB
DP
Headphone
MIC…
)
U SB Tra ce
㚫ⷞ⇘
PCIE
䘬妲嘇ˤ
NCT3522U P/N: 6-02-03522-9C0
G5243A P/N: 6-02-05243-9C0
AP2821KTR-G1 P/N: 6-02-02821-9C0
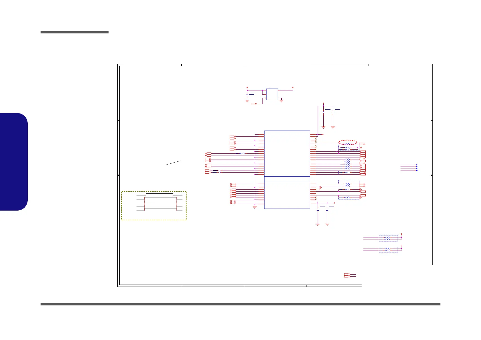
Hybrid M.2 KEY-E 2230
WLAN
>40 mil
32KHz
The Hybrid M.2 E-Key is used for:
1. CNVi RF(Jefferson Peak)
2. Discrete WiFi (PCIe v2.1 Gen1)
3. CNVi+WiGig combo(Cedar Peak)
4. Qualcomm WiGig/WLAN/BT
combo(Sparrow) on Cannon Lake,
Coffee Lake, and Gemini Lake
platform.
BLUETOOTH
CNVi M.2 A+E KEY BTUS B 2.0 PORT
PCH-LP USB2.0 PORT-10
PCH-H USB2.0 PORT-14
USB BI OS XHCI
USB3 . 0 port BT Power Management Issue.
>40 mil
CNVi
WLAN+BT/CNVi
M:6-21-84KZ0-075
WLAN+BT/CNVi POWER
>120 mil>120 mil
PIN 72, 74
PIN 72, 74
PIN 2, 4
close to PCH
close to M.2
close to M.2
close to M.2
close to M.2
close to PCH
PIN 2, 4
20191009 Add R860 *0_04
WLAN_EN
BT_EN
WLAN_PWR_EN
WLAN_3.3V
CNVI_BRI_RSP_R
CNVI_RGI_DT
CNVI_RGI_RSP_R
CNVI_BRI_DT
BUF_PLT_RST#
PCIE_TXP20_WLAN_R
PCIE_TXN20_WLAN_R
WLAN_EN
BT_EN
CNVI_RGI_DT
CNVI_BRI_DT
CNVI_WAKE#
WLAN_WAKEUP#
WLAN_WAKEUP#
WLAN_3.3V
WLAN_3.3V
WLAN_3.3V
VCCPRIM_1P8
WLAN_3.3VVDD3
WLAN_3.3V
WLAN_3.3V
CNVI_BRI_RSP [33]
CNVI_RGI_RSP [33]
CLKIN_XTAL_LCP [38]
CNVI_MFUART2_RXD [33]
CNVI_GNSS_PA_BLANKING [33]
USB_P14[34]
USB_P14#[34]
WLAN_EN [42]
BT_EN [33]
BUF_PLT_RST# [41,42,43,45,46,54,58]
SUS_CLK [36]
CNVI_RST# [36]
CNVI_CLKREQ [36]
CNVI_RGI_DT [33]
CNVI_BRI_DT [33]
CNVI_MFUART2_TXD [33]
CNVI_WT_CLKP[33]
CNVI_WT_CLKN[33]
CNVI_WT_D0P[33]
CNVI_WT_D0N[33]
CNVI_WT_D1P[33]
CNVI_WT_D1N[33]
CLK_PCIE_WLAN[38]
PCIE_RXN16_WLAN[35]
PCIE_RXP16_WLAN[35]
PCIE_TXP16_WLAN[35]
PCIE_TXN16_WLAN[35]
CLK_PCIE_WLAN#[38]
WLAN_CLKREQ#[38]
CNVI_WR_CLKP[33]
CNVI_WR_CLKN[33]
CNVI_WR_D0P[33]
CNVI_WR_D0N[33]
CNVI_WR_D1P[33]
CNVI_WR_D1N[33]
CNVI_DET#_EC[42]
WLAN_PWR_EN[42]
VDD3[4,10,28,32,33,34,35,36,39,41,42,45,54,56,57,59,60,61,62,63,64,65,67,69,70,71]
CL_CLK1 [35]
CL_DATA1 [35]
CL_RST#1 [35]
CNVI_WAKE# [36]
WLAN_WAKEUP#[36]
VCCPRIM_1P8[33,39]
Title
Size Document Number R e v
Date: Sheet
of
6-71-PB5D0-D02
D02
[55] M.2 WLAN+BT,CNVi
A3
55 84Tuesday, December 17, 2019
ᙔ!Ϻ!ႝ!တ!!DMFWP!DP/
PB50DF2
Title
Size Document Number R e v
Date: Sheet
of
6-71-PB5D0-D02
D02
[55] M.2 WLAN+BT,CNVi
A3
55 84Tuesday, December 17, 2019
ᙔ!Ϻ!ႝ!တ!!DMFWP!DP/
PB50DF2
Title
Size Document Number R e v
Date: Sheet
of
6-71-PB5D0-D02
D02
[55] M.2 WLAN+BT,CNVi
A3
55 84Tuesday, December 17, 2019
ᙔ!Ϻ!ႝ!တ!!DMFWP!DP/
PB50DF2
R408 *0_04
R409 20K_04
R810 *0_04
R399 4.7K_04
R351 *33_04
R860 *0_04
U33
UP7553PMA5-25
EN
3
VIN
5
VIN/SS
4
VOUT
1
GND
2
C1498 0.1u_10V_X7R_04
R809 *4.7K_04
R421 22_04
C1083
0.1u_6.3V_X5R_02
R431 71.5K_1%_04
R357 10K_04
C1503 0.1u_10V_X7R_04 R412 22_04
R352 10K_04
R434 75K_1%_04
R361 *33_04
R391 *0_04
C1156
1u_6.3V_X5R_02
E KEY
J_WLAN1
NFSE0-S6701-TP40
PCB Footprint = argosy_nfse0-s6701-tp64
P/N = 6-21-84KZ0-075
HEIGHT = 4.0mm
SUSCLK(32Khz)(O)
50
CLKREQ0_N
53
GND12
69
REFCLKP0
47
REFCLKN0
49
PEWAKE0_N
55
WT_D0N
65
WT_D0P
67
WT_D1N
59
WT_D1P
61
GND11
63
GND6
33
GND13
75
3.3V2
72
UART_CTS/RGI_RSP
34
I2C CLK(O)
60
UART_TX/RGI_DT
32
USB_DN
5
USB_DP
3
I2C DATA(IO)
58
COEX1_TXD(I/O)1.8V
48
PERST0_N(O)
52
COEX3(I/O)1.8V
44
GND10
57
LED2_N(OD)
16
3.3V0
2
CLINK_RESET
38
GND1
1
LED1_N(OD)
6
WGR_D0P
17
W_DISABLE1_N(O)
56
3.3V1
4
GND2
7
GND4
18
CLINK_DATA
40
GND7
39
PETP0
35
PERP0
41
PERN0
43
PETN0
37
GND8
45
GND9
51
IRQ_N(I)
62
COEX2_RXD(I/O)1.8V
46
3.3V3
74
GND5
19
WGR_CLKN
21
WGR_CLKP
23
UART_WAKE_N
20
UART_RX/BRI_RSP
22
UART_RTS/BRI_DT
36
CLINK_CLK
42
W_DISABLE2_N(O)
54
REFCLK0
64
PERST1_N
66
CLKREQ1_N
68
PEWAKE1_N
70
WT_CLKN
71
WT_CLKP
73
PCM_OUT/CLKREQ0
14
PCM_IN
12
PCM_SYNC/LCP_RSTN
10
PCM_CLK
8
WGR_D0N
15
GND3
13
WGR_D1P
11
WGR_D1N
9
R423 *0_04
R426 *4.7K_04
R370 *33_04
C1153
22u_6.3V_X5R_06
R416 *0_04
C1155
0.1u_6.3V_X5R_02
C1082
22u_6.3V_X5R_06
Sheet 55 of 85
M.2 WLAN+BT
Schematic Diagrams
B - 56 M.2 WLAN+BT
B.Schematic Diagrams
M.2 WLAN+BT

Table of Contents

Related product manuals