EasyManua.ls Logo

CLIVET WSAN-XIN 21 - Page 18

CLIVET WSAN-XIN 21
56 pages
Print Icon
To Next Page IconTo Next Page
To Next Page IconTo Next Page
To Previous Page IconTo Previous Page
To Previous Page IconTo Previous Page
Loading...
18
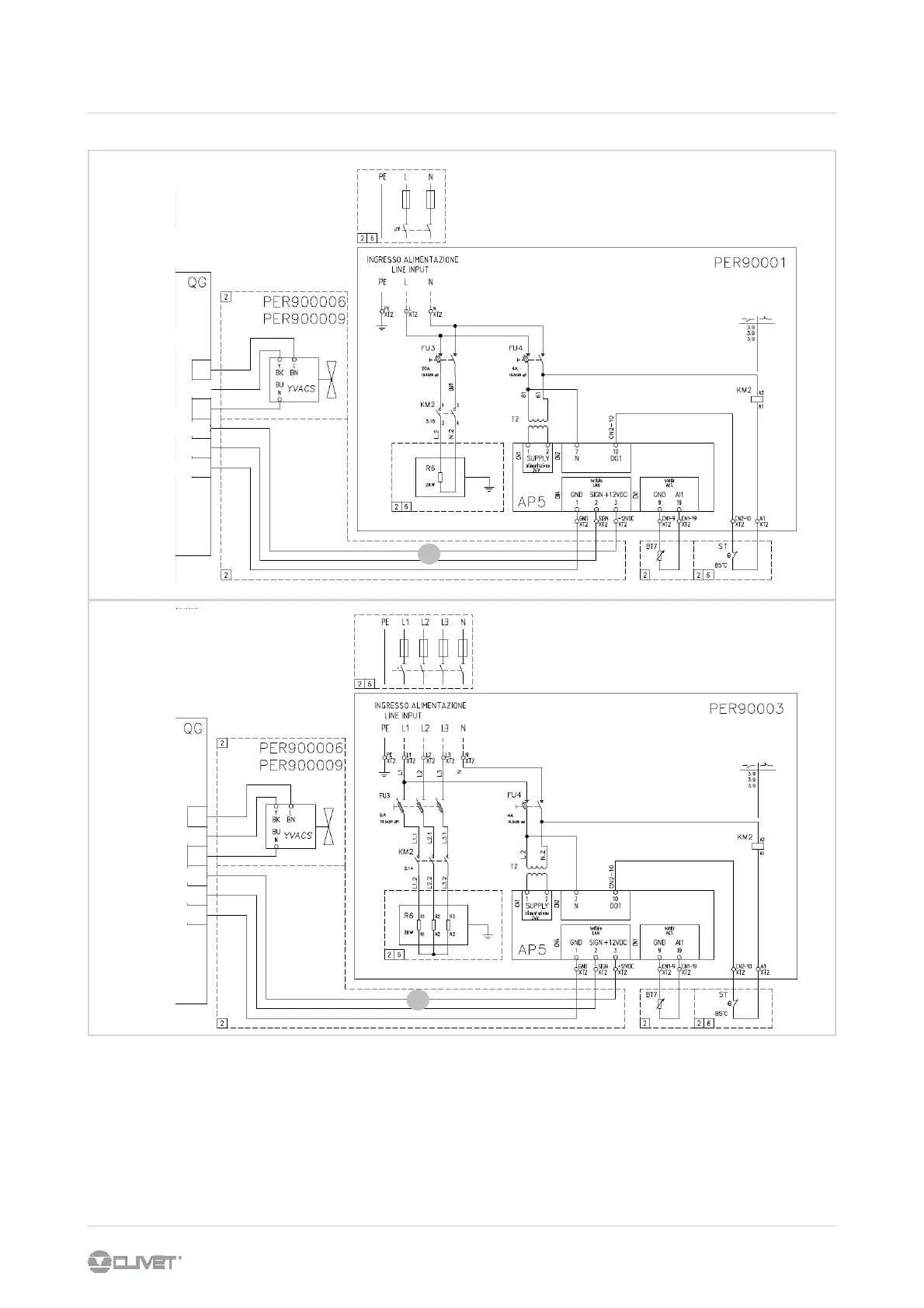
5 - ELECTRICAL CONNECTIONS
QG unit electrical panel
XT1 terminal block of the Customer connections
B LAN serial : L max = 100 mt
Cable section: Min. 0,35
Max. 1 mm
2
YVACS DHW valve (accessory 3DHWX)
BT7 DHW storage probe
R6 Electric heaters of the DHW storage (provided by the
Customer)
ST storange high temperature safety thermostat
PER90001 - 230/1/50
B
B
PER90003 - 400/3/50+N
81
61
CN2-6
GND
SIGN
+12VDC
XT1
81
61
CN2-6
GND
SIGN
+12VDC
XT1