EasyManua.ls Logo

COBHAM EXPLORER 8100 - Page 97

COBHAM EXPLORER 8100
192 pages
Print Icon
To Next Page IconTo Next Page
To Next Page IconTo Next Page
To Previous Page IconTo Previous Page
To Previous Page IconTo Previous Page
Loading...
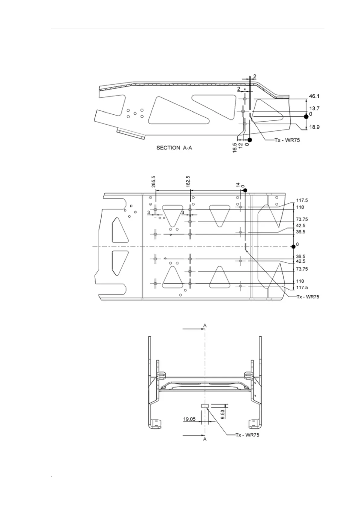
BUC installation
98-145510-E Chapter 7: Service and maintenance 7-16
In the following figures, Tx - WR75 shows the allowed area for installation of the
Waveguide interface.
Figure 17: Waveguide position and mounting holes for BUC brackets (EXPLORER 8120)
Figure 18: Waveguide position and mounting holes for BUC brackets, Top view (EXPLORER 8120)
Figure 19: Waveguide position, front (EXPLORER 8120)

Table of Contents

Other manuals for COBHAM EXPLORER 8100

Related product manuals