EasyManua.ls Logo

Cooper CF3000 - Panel Layout

Cooper CF3000
114 pages
Print Icon
To Next Page IconTo Next Page
To Next Page IconTo Next Page
To Previous Page IconTo Previous Page
To Previous Page IconTo Previous Page
Loading...
CF3000 - USER MANUAL
51
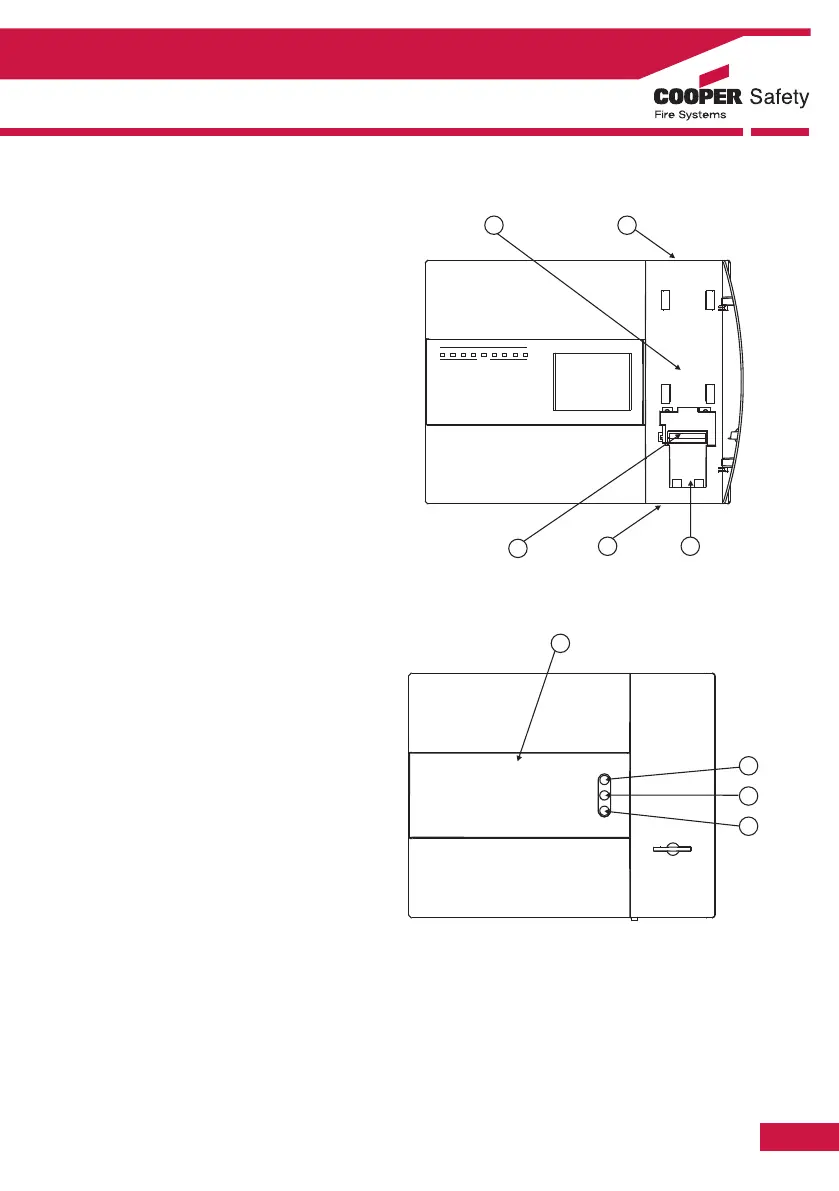
Panel Controls and Indicators
1. Log Book Storage
2. Insert Supervisor Key Here
3. Printer
4. Paper Roll Storage
1. Optional Hinged Cover
2. Scroll Up
3. Mute Buzzer
4. Scroll Down
Section 4 - Panel Controls and Indicators
Power
ON
Power
ON
FIRE
FIRE
General
FAULT
General
FAUL T
System
DISABLE
System
DISABLE
System
FAULT
System
FAUL T
System
TEST
System
TEST
Charge
FAULT
Charge
FAUL T
Battery
FAULT
Battery
FAUL T
1
2
3
4
5
6 7
8
9
21
21
22
22
23
23
24
24
10
10
11
11
12
12
13
13
14
14
15
15
16
16
17
17
18
18
19
19
20
20
25
25
26
26
27
27
28
28
29
29
30
30
31
31
32
32
33
33
34
34
35
35
36
36
37
37
38
38
39
39
40
40
41
41
42
42
43
43
44
44
45
45
46
46
47
47
48
48
49
49
50
50
51
51
52
52
53
53
54
54
55
55
56
56
57
57
58
58
59
59
60
60
61
61
62
62
63
63
64
64
65
65
66
66
67
67
68
68
69
69
70
70
71
71
72
72
73
73
74
74
75
75
76
76
77
77
78
78
79
79
80
80
81
81
82
82
83
83
84
84
85
85
86
86
87
87
88
88
89
89
90
90
91
91
92
92
93
93
94
94
95
95
96
96
Zones
Zones
1
2
3
4
2
1
3
4
2

Table of Contents

Related product manuals