EasyManua.ls Logo

Corghi 601 - Esquema Eléctrico

Corghi 601
Print Icon
To Next Page IconTo Next Page
To Next Page IconTo Next Page
To Previous Page IconTo Previous Page
To Previous Page IconTo Previous Page
Loading...
Manual de uso @ 601 161
E
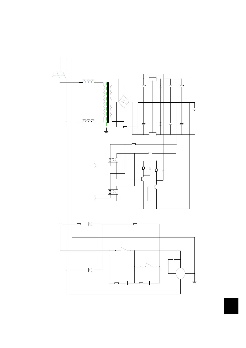
ESQUEMA ELÉCTRICO
7905
0
78H05
Æô¶¯¿ØÖÆ
ST
É??µ¿ØÖÆ
BK
PC817
PC817
µç
ÄÔ
Ö¸
Áî
DC +5V
DC -5V
M
1~
~
220V
T
FUSE 1
V 1
C 1
K 1
R 1 470
9V
2A
9V
4A/400V
C 4
C 3
C 2
C 6
C 5
V 3
V 4
V 5
V 7
V 4
V 6
K 2
R 2 2K
4700|ÌF/35V
2200|ÌF/35V
22|ÌF/50V
0.1|ÌF/63V
BD677
BD677
IN4007
IN4007
IN4007
IN4007
?¢£ºK
1
-12VÆô¶¯?̵çÆ÷£»K
2
-12VÉ??µ?̵çÆ÷
QS
~230V
PE
FUSE 2
6A
Æô¶¯¿ØÖÆ
É??µ¿ØÖÆ
0.1|ÌF/63V
22|ÌF/50V
0
COIL 45mH
45mH
V 8
V 9
6A10
6A10
SPARK
1
SPARK
2
120
120
0.1|ÌF
0.1|ÌF
250W/220V
16|ÌF/400V
10|¸/100W
R 3
Rx20
L
N

Table of Contents

Related product manuals