EasyManua.ls Logo

Corghi 601 - Schema Della Scheda DI Alimentazione

Corghi 601
Print Icon
To Next Page IconTo Next Page
To Next Page IconTo Next Page
To Previous Page IconTo Previous Page
To Previous Page IconTo Previous Page
Loading...
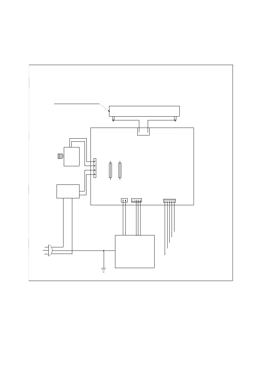
30 Manuale d’uso @ 601
SCHEMA DELLA SCHEDA DI
ALIMENTAZIONE
¡¡¡«230V
AC 230V
Input ¡«230V
Output 9V-0-9V
Power transfer
9 0
9
¡¡¡«230V
-5V
+5V
0
BK
ST
Connect with computer board
Drawing for power supply connection of wheel balancer
Power board
6A
2A
M 2
M 1
L 1
L 2
Power switch
MOTOR
Brake resistance 10|¸/100W
PE

Table of Contents

Related product manuals