EasyManua.ls Logo

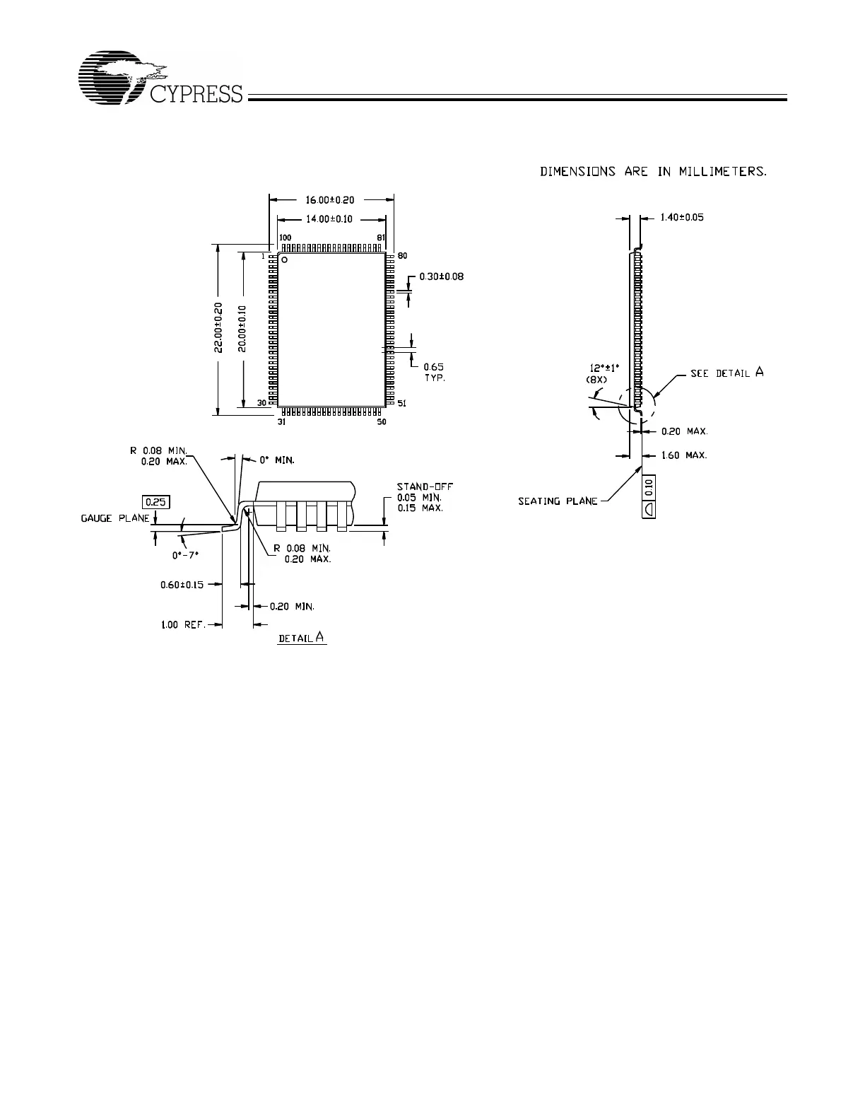
Cypress CY7C68013 - Figure 11-2. 100-Pin Thin Plastic Quad Flatpack (14 X 20 X 1.4 MM) A101

Cypress CY7C68013
48 pages
Print Icon
To Next Page IconTo Next Page
To Next Page IconTo Next Page
To Previous Page IconTo Previous Page
To Previous Page IconTo Previous Page
Loading...
CY7C68013
Document #: 38-08012 Rev. *A Page 46 of 48
51-85050-A
Figure 11-2. 100-Pin Thin Plastic Quad Flatpack (14 x 20 x 1.4 mm) A101

Table of Contents

Related product manuals