EasyManua.ls Logo

Daikin AWV024 - Piping Schematic, Remote Evaporator (One of Two Circuits)

Daikin AWV024
92 pages
Print Icon
To Next Page IconTo Next Page
To Next Page IconTo Next Page
To Previous Page IconTo Previous Page
To Previous Page IconTo Previous Page
Loading...
InsTallaTIon and applICaTIon ConsIderaTIons - remoTe evaporaTors
www.DaikinApplied.com 27 IOM 1242-2 • PATHFINDER
®
MODEL AWV CHILLERS
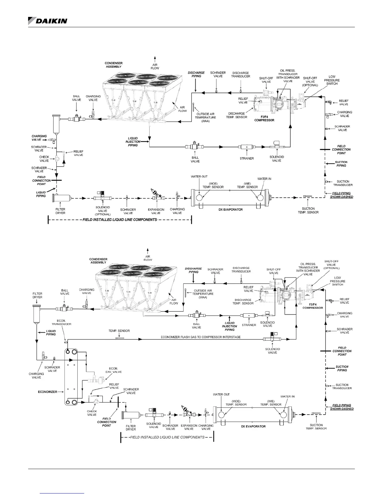
Figure 33: Piping Schematic, Remote Evaporator (One of Two Circuits)
UNIT HAS TWO INDEPENDANT SYSTEMS.
NOTE:
PIPING SHOWN FOR ONE SYSTEM OF UNIT.
REMOTE CHILLER
REMOTE CHILLER
WITH OPTIONAL ECONOMIZER
NOTE:
PIPING SHOWN FOR ONE SYSTEM OF UNIT.
UNIT HAS TWO INDEPENDANT SYSTEMS.

Table of Contents

Related product manuals