EasyManua.ls Logo

Daikin MicroTech II - Page 48

Daikin MicroTech II
70 pages
Print Icon
To Next Page IconTo Next Page
To Next Page IconTo Next Page
To Previous Page IconTo Previous Page
To Previous Page IconTo Previous Page
Loading...
46 Daikin IM 696-4
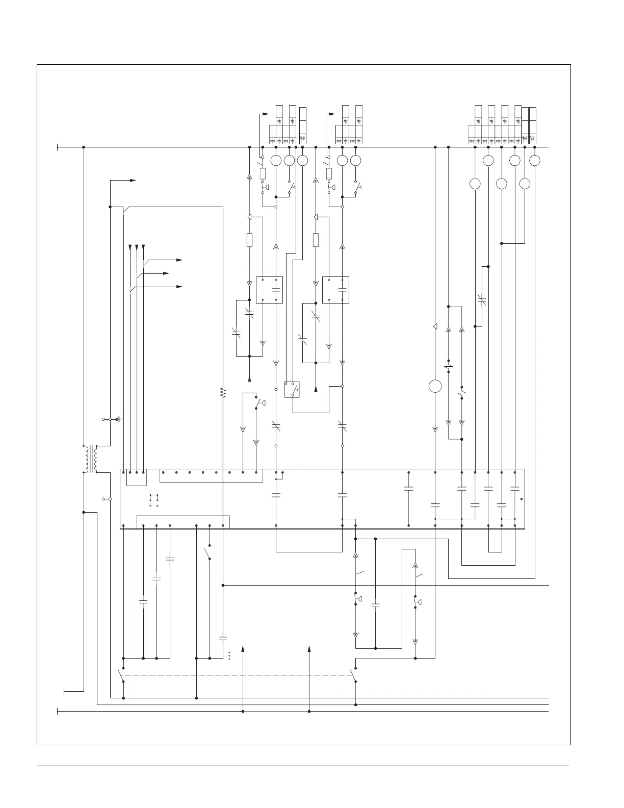
Typical Wiring Diagrams
Figure 20: Condensing section control, RPS 135 (with reciprocating compressors)
/2.68
/1.68 /1.68
H830-4
H830-3
H831-2
H831-4
H827-10
H823-10
H823-2
H827-11
H817-3
H817-4
H815-7
MP1J
H817D
H800B
H816-5
H815-6
MP3J
H822-1
H822-12
H820-3
(TD3 CLOSES FOR
5 SECONDS AFTER
BEING ENERGIZED)
H820-2
H821-8
H800B
823A
823A
823A
823A
H817B
H817C
H822A
H822B
H805
H805
H822D
H814-12
1.3K OHM, 2W
H815-11
800
801
802
803
804
805
806
807
808
809
810
811
812
813
814
815
816
817
818
819
820
821
822
823
824
825
826
827
828
829
830
831
832
833
834
835
836
837
835
819
816
706
817
821
739
822
807
705
757
719
709
832
706
808 815
710
817
739
809 820
824
743
822
817
836
822
207
2 MIN
2 MIN
115V
24V
CLASS 2
BO4
NOCOM
BO5
NOCOM
BO6
NOCOM
BO8
NOCOM
BO7
NOCOM
BO9
NOCOM
(COMPR #5)
BO2
NOCOM
(COMPR #3)
BO3
NOCOM
BO1
NOCOM
(COMPR #1)
DISABLEENABLE
DISABLEENABLE
B02
B01
JUMPERS
J10
J9
COMPR.
CONTROL
BOARD
INPUTS
BI=BINARY
AI=ANALOG
(JUMPER LOCATED
JUST UNDER
COMM. CARD)
N2
BUS
24V SRC
jprs
BO7
COMPR #1
4
24
3
1
2
1
2
87
A1 A2
A1 A2
A1 A2
A1 A2
87
15
10
35
1110
2
21
21
3
A1
A2
21
2222222
4
2
3
1
4
A1
A2
7
38 40
120
T2
ML
6
12(32)11(31)
5
2221
21
50
12
A1
A2
2
1
2222222
14
2
3
1
87
A1
A2
3
45 47
120
T2
ML
3
12
2
12(32)11(31)
2221
8
21
51
39
46
1413
35
3
2
4
1
21
GRD
18
15
13
11
10
7
20
4
17
16
12
9
8
19
6
5
2
13
COM2
BI6
BI5
BI4
BI3
BI2
COM1
BI1
REF
N2-
N2+
24C
BI12
BI11
BI8
BI10
BI9
BI7
24V
43
21
1413
11
12
12
8
GRD
30
3129
28
7NO7
2222222
21
8
PL10
+PP
PL9
+PP
PL9
+PP
PL10
+PP
SV5
+NB
SV1
+NB
R1
M12
M11
115VAC/8.20
115VAC/8.15
M14
M13
R11
R11
PL25
+PP
R3
PL27
+PP
PL27
+PP
PL25
+PP
HP3
+NB
HP1
+NB
PL25
+PP
M1
HTR1
+NB
MP1
+NB
PL25
+PP
M5
PL25
+PP
TB3
OP1
+NB
OP1
+NB
PL25
+PP
MMP1
PL25
+PP
115VAC/8.14
M1
TD5
PL27
+PP
M3
HTR3
+NB
PL27
+PP
MP3
+NB
R3
M7
PL27
+PP
TB3
OP3
+NB
OP3
+NB
TD3
PL27
+PP
115VAC/8.19
MMP3
M3
PL27
+PP
TD7
TB3
TB3
OP3/8.53
OP1/8.48
M1
R1
T9
PS1
CCB1
CS1
N_24/8.38
M3
REF/2.11
N2+/2.10
N2-/2.10
REF/8.40N2+/8.39
N2-/8.39
PL25
+PP
LP1
+NB
PL25
+PP
RESISTOR
TB1E
TB1E
TB1ETB1E
TB1E
MCB
U1_1
+NB
PL25
+PP
T2_115VAC
T1_115VAC T1_N
830A
835A
834A
832B
832B
832A
823A 823D 823B 823C
822A 822B
819A
818A 818B
818C
817A 817B 817C 817D
814B
803A
805A
815A
814A
812A
809A
808A
807A
805B
829A
813A
210D
209C
210C
210D
209C
210C
168A
168A
168A
168C
203B
168A
168A
168C
(Schematic continues on next page.)

Table of Contents

Other manuals for Daikin MicroTech II

Related product manuals