EasyManua.ls Logo

Daikin MicroTech II - Page 49

Daikin MicroTech II
70 pages
Print Icon
To Next Page IconTo Next Page
To Next Page IconTo Next Page
To Previous Page IconTo Previous Page
To Previous Page IconTo Previous Page
Loading...
Daikin IM 696-4 47
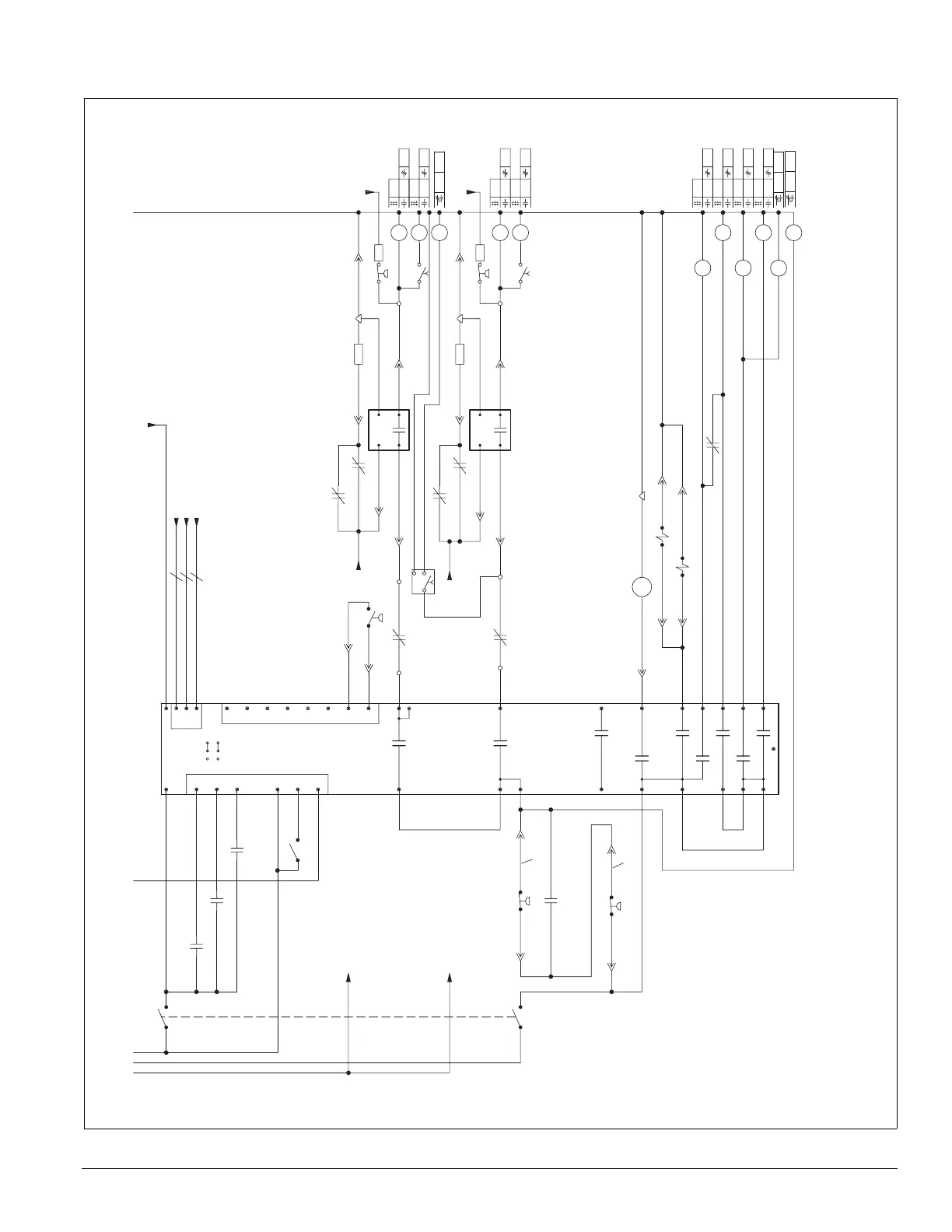
Typical Wiring Diagrams
Figure 21: Condensing section control, RPS 135 (with reciprocating compressors), continued
(TD3 CLOSES FOR
5 SECONDS AFTER
BEING ENERGIZED)
MP2J
MP4J
H850-7
H848-4
H853-4
H855-7
H850D
H856-10
H860-10
H860-11
H856-11
H853-9
H848-9
H849-8
H854-8
JPR
JPR
H850-12
H855-6
H855A
H855B
H850B
H850C
856A
856A
H855D
H847-3
H848-2
H864-5
H863-6
H863-1
H864-1
837
838
839
840
841
842
843
844
845
846
847
848
849
850
851
852
853
854
855
856
857
858
859
860
861
862
863
864
865
866
867
868
869
870
852
723
868
850
756
849
854
855
723
841 848
756
842 853
840
729
762
743
733
857
727
760
865
850
855
855
850
869
2 MIN
2 MIN
COMPR #2
BO4
NOCOM
BO5
NOCOM
BO6
NOCOM
BO8
NOCOM
BO7
NOCOM
BO9
NOCOM
(COMPR #6)
BO2
NOCOM
(COMPR #4)
BO3
NOCOM
BO1
NOCOM
(COMPR #2)
DISABLEENABLE
DISABLEENABLE
B02
B01
JUMPERS
J10
J9
COMPR.
CONTROL
BOARD
INPUTS
BI=BINARY
AI=ANALOG
(JUMPER LOCATED
JUST UNDER
COMM. CARD)
N2
BUS
12
6
A1
A2
A1
A2
87
A1 A2
A1 A2
2222222
2222222
7
7
A1 A2
A1 A2
87
A1
A2
A1
A2
87
21
21
10 11
10 11
35
21
21
3
12
4
2
3
1
9
4
120
T2
120
T2
9
42
8
12(32)11(31)
15
2221
12(32)11(31)
44
21
21
41
ML
ML
48
4
2221
8
4
2
3
1
43
49
2
222222
21
5
1413
1413
21
35
43
21
GRD
18
15
13
11
10
7
20
4
17
16
12
9
8
19
6
5
2
13
COM2
BI6
BI5
BI4
BI3
BI2
COM1
BI1
REF
N2-
N2+
24C
BI12
BI11
BI8
BI10
BI9
BI7
24V
12
2
3
WHT
BLK
DRN
5
1
1
6
1
2
1
2
PL26
+PP
PL28
+PP
M2
M4
R2
M22
M21
PL26
+PP
PL28
+PP
M24
M23
R4
M6
M8
R12
HTR2
+NB
HTR4
+NB
PL26
+PP
PL26
+PP
PL28
+PP
PL28
+PP
R4
HP4
+NB
HP2
+NB
TD4
MP4
+NB
PL26
+PP
PL26
+PP
OP2
+NB
OP4
+NB
PL28
+PP
PL26
+PP
MMP2
R12
M2
MMP4
TB3
TD6
TD8
TB3
OP2
+NB
OP4
+NB
OP1/8.16
OP3/8.21
PL28
+PP
M4
PL28
+PP
MP2
+NB
115VAC/8.47
115VAC/8.52
115VAC/8.48
115VAC/8.52
TB3
TB3
U1_2
+NB
PL26
M4
M2
PS2
R2
CS2
CCB2
N_24/8.06
LP2
+NB
PL26
+PP
PL26
+PP
N2+/8.09
N2-/8.08
REF/8.09
PL9
+PP
PL10
+PP
PL9
+PP
PL10
+PP
SV6
+NB
SV2
+NB
868A
867A
865B
865A
856A 656D 856B 856C
855A 855B
852A
851A 851B
851C
850A 850B 850C 850D
847B
826A
848A
847A
845A
842A
841A
840A
838A
864A
805A
209C
210C
210D
168C168C
168A
168A168A
168A
(Schematic continues on previous page.)

Table of Contents

Other manuals for Daikin MicroTech II

Related product manuals