EasyManua.ls Logo

Danfoss PVE Series 4 - PVHC Connection Details; PVEH with Separate Float Pin

Danfoss PVE Series 4
56 pages
Print Icon
To Next Page IconTo Next Page
To Next Page IconTo Next Page
To Previous Page IconTo Previous Page
To Previous Page IconTo Previous Page
Loading...
Deutsch version: PVES–NP
Not
connected
Error
U
s
3
2
1
4
5
6
Sfb
PVES-SP
U
DC
LED
PVHC connection
100-400 Hz PWM control signals.
Each connector controls one direction and must have U
DC
and ground
No constraints on pin for U
DC
and ground.
Input control
Parameter Control range
12 V 24 V
Controller output current range 0 - 1500 mA 0 - 750 mA
PVHC with AMP version PVHC with Deutsch version
74.0
[2.913]
92.25
[3.631]
5.75
[0.226]
16.5
[0.650]
33.0 [1.299]
44.4 [1.748]
5.7
[0.224]
5.7
[0.224]
26.75
[1.053]
P301 123
74.0
[2.913]
92.25
[3.631]
26.75
[1.053]
33.0 [1.299]
44.4 [1.748]
5.7
[0.224]
5.7
[0.224]
5.75
[0.226]
16.5
[0.650]
P301 124
PVE with separate float pin
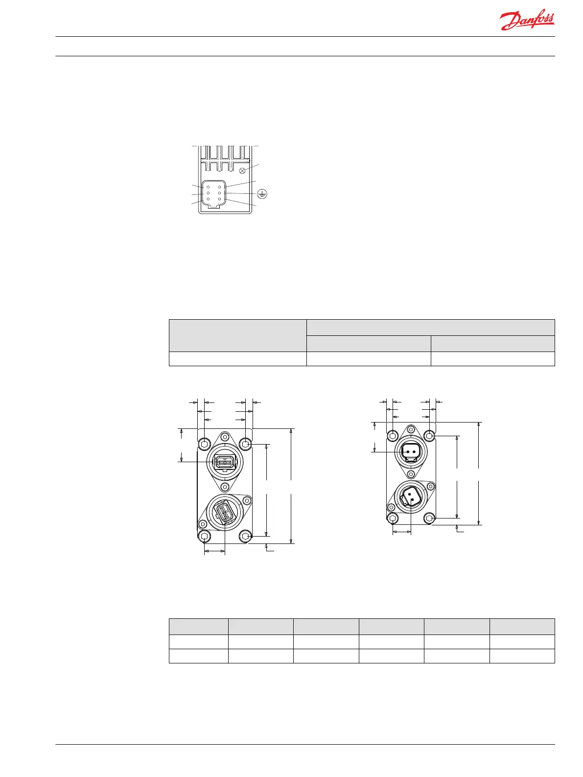
PVEH with float A, 6–pin connection
Connector U
S
U
DC
Float Ground Error
AMP pin 1 pin 2 pin 5 pin 3 pin 4
Deutsch pin 1 pin 6 pin 3 pin 5 pin 2
Technical Information PVE, Series 4 for PVG 32/100/120 and PVHC
Technical Data
520L0553 • Rev GD • Jan 2014 45

Table of Contents

Related product manuals