EasyManua.ls Logo

Danfoss VLT 6000 HVAC - Page 116

Danfoss VLT 6000 HVAC
177 pages
Print Icon
To Next Page IconTo Next Page
To Next Page IconTo Next Page
To Previous Page IconTo Previous Page
To Previous Page IconTo Previous Page
Loading...
VLT
®
6000 HVAC
116
= factory setting. ( ) = display text [ ] = value for use in communication via serial communication port
MG.60.B1.02 - VLT is a registered Danfoss trade mark
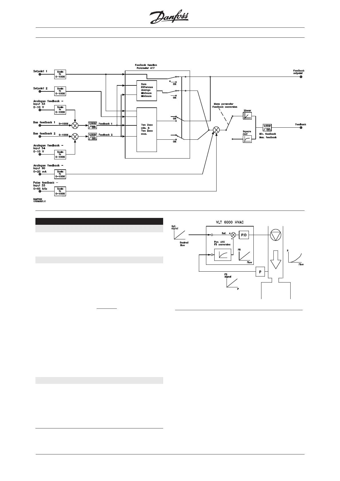
Feedback handling, cont.
416 Feedback conversion (FFEEDBACK CONV.)
Value:
Linear (LINEAR) [0]
Square root (SQUARE ROOT) [1]
Function:
In this parameter, a function is selected which
converts a connected feedback signal from the
process to a feedback value that equals the square
root of the connected signal.
This is used, e.g. where regulation of a flow (volume)
is required on the basis of pressure as feedback
signal (flow = constant x pressure). This conversion
makes it possible to set the reference in such a way
that there is a linear connection between the
reference and the flow required. See drawing in next
column.
Feedback conversion should not be used if 2-zone
regulation in parameter 417 Feedback function has
been selected.
Description:
If Linear [0] is selected, the feedback signal and the
feedback value will be proportional.
If Square root [1] is selected, the VLT frequency
converter translates the feedback signal to a squared
feedback value.

Table of Contents

Other manuals for Danfoss VLT 6000 HVAC

Related product manuals