EasyManua.ls Logo

Danfoss VLT 6000 HVAC - EMC-Correct Electrical Installation Practices

Danfoss VLT 6000 HVAC
177 pages
Print Icon
To Next Page IconTo Next Page
To Next Page IconTo Next Page
To Previous Page IconTo Previous Page
To Previous Page IconTo Previous Page
Loading...
VLT
®
6000 HVAC
54
MG.60.B1.02 - VLT is a registered Danfoss trade mark
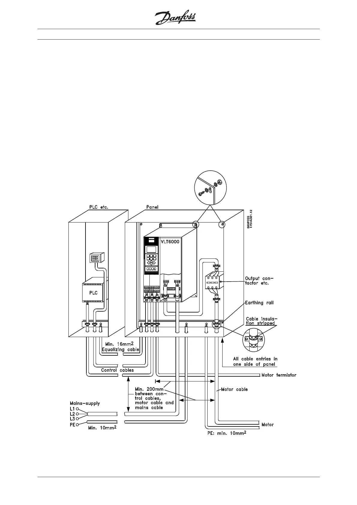
EMC-correct electrical installation
General points to be observed to ensure EMC-correct
electrical installation:
- Use only screened/armoured motor cables and
screened/armoured control cables.
- Connect the screen to earth at both ends.
- Avoid installation with twisted screen ends
(pigtails), since this ruins the screening effect at
high frequencies. Use cable clamps instead.
- It is important to ensure good electrical contact
from the installation plate through the installation
screws to the metal cabinet of the VLT frequency
converter.
- Use toothed discs and galvanically conductive
installation plates.
- Do not use unscreened/unarmoured motor cables
in the installation cabinets.
The illustration below shows EMC-correct electrical
installation; the VLT frequency converter has been
fitted in an installation cabinet and connected to a
PLC.

Table of Contents

Other manuals for Danfoss VLT 6000 HVAC

Related product manuals