EasyManua.ls Logo

Danfoss VLT 6000 HVAC - Connection Example, VLT 6000 HVAC

Danfoss VLT 6000 HVAC
177 pages
Print Icon
To Next Page IconTo Next Page
To Next Page IconTo Next Page
To Previous Page IconTo Previous Page
To Previous Page IconTo Previous Page
Loading...
VLT
®
6000 HVAC
66
MG.60.B1.02 - VLT is a registered Danfoss trade mark
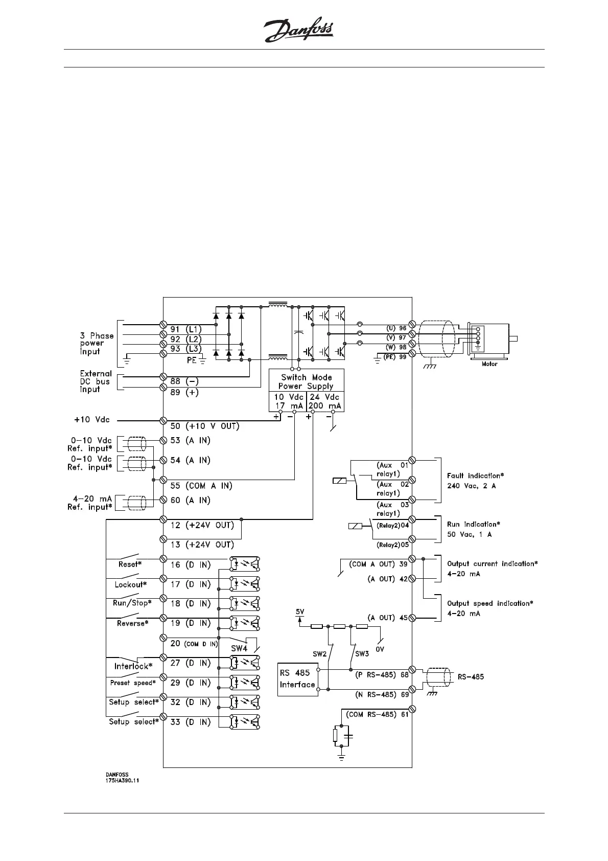
Connection example, VLT 6000 HVAC
The diagram below gives an example of a typical VLT
6000 HVAC installation.
The mains supply is connected to terminals 91 (L1),
92 (L2) and 93 (L3), while the motor is connected to
96 (U), 97 (V) and 98 (W). These numbers can also be
seen from the terminals of the VLT frequency
converter.
An external DC supply or a 12-pulse option can be
connected to terminals 88 and 89. Please ask Danfoss
for a Design Guide to learn more.
Analogue inputs can be connected to terminals 53 [V],
54 [V] and 60 [mA]. These inputs can be programmed
for either reference, feedback or thermistor. See
Analogue inputs in parameter group 300.
There are 8 digital inputs, which can be connected to
terminals 16-19, 27, 29, 32, 33. These inputs can be
programmed in accordance with the table on page
69.
There are two analogue/digital outputs (terminals 42
and 45), which can be programmed to show the
present status or a process value, such as 0-f
MAX
.
Relay outputs 1 and 2 can be used for giving the
present status or a warning.
On terminals 68 (P+) and 69 (N-) RS 485 interface,
the VLT frequency converter can be controlled and
monitored via serial communication.
* These terminals can be programmed for other functions.

Table of Contents

Other manuals for Danfoss VLT 6000 HVAC

Related product manuals