EasyManua.ls Logo

Danfoss VLT 6000 HVAC - Page 68

Danfoss VLT 6000 HVAC
177 pages
Print Icon
To Next Page IconTo Next Page
To Next Page IconTo Next Page
To Previous Page IconTo Previous Page
To Previous Page IconTo Previous Page
Loading...
VLT
®
6000 HVAC
68
MG.60.B1.02 - VLT is a registered Danfoss trade mark
Connection examples
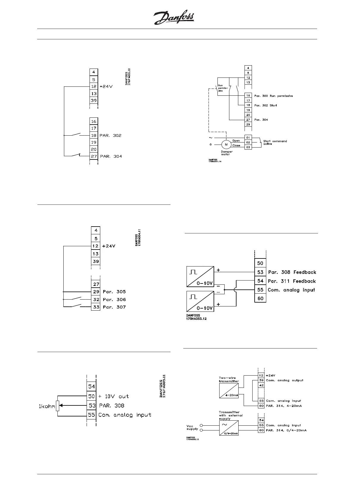
Single-pole start/stop
- Start/stop using terminal 18.
Parameter 302 = Start [1]
- Quick-stop using terminal 27.
Parameter 304 = Coasting stop, inverse [0]
Digital speed up/down
- Speed up and down using terminals 32 and 33.
Parameter 306 = Speed up [7]
Parameter 307 = Speed down [7]
Parameter 305 = Freeze reference [2]
Potentiometer reference
- Parameter 308 = Reference [1]
Parameter 309 = Terminal 53, min. scaling
Parameter 310 = Terminal 53, max. scaling
- Start permitted with terminal 16.
Parameter 300 = Start enabled [8].
- Start/stop with terminal 18.
Parameter 302 = Start [1].
- Quickstop with terminal 27.
Parameter 304 = Coasting stop, inverse [0].
- Activated damper (motor)
Parameter 323 = Start command active [13].
Run permissive
2-zone regulation
- Parameter 308 = Feedback [2].
- Parameter 311 = Feedback [2].
Transmitter connection
- Parameter 314 = Reference [1]
- Parameter 315 = Terminal 60, min. scaling
- Parameter 316 = Terminal 60, max. scaling

Table of Contents

Other manuals for Danfoss VLT 6000 HVAC

Related product manuals