EasyManua.ls Logo

Danfoss VLT HVAC Drive FC 102 - Page 198

Danfoss VLT HVAC Drive FC 102
254 pages
Print Icon
To Next Page IconTo Next Page
To Next Page IconTo Next Page
To Previous Page IconTo Previous Page
To Previous Page IconTo Previous Page
Loading...
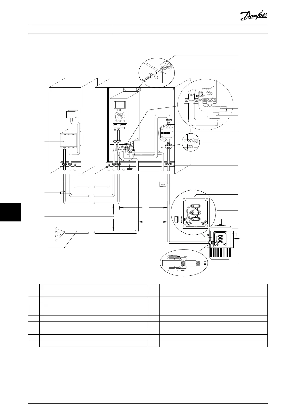
130BF228.10
L1
L2
L3
PE
PE
u
v
w
2
1
3
5
16
17
18
14
12
8
7
10
9
4
11
13
4
4
6
15
90
1 PLC 10 Mains cable (unshielded)
2
Minimum 16 mm
2
(6 AWG) equalizing cable
11 Output contactor
3 Control cables 12 Cable insulation stripped
4 Minimum 200 mm (7.9 in) between control cables, motor
cables, and mains cables.
13 Common ground busbar. Follow local and national
requirements for cabinet grounding.
5 Mains supply 14 Brake resistor
6 Bare (unpainted) surface 15 Metal box
7 Star washers 16 Connection to motor
8 Brake cable (shielded) 17 Motor
9 Motor cable (shielded) 18 EMC cable gland
Illustration 10.28 Example of Proper EMC Installation
Electrical Installation Con...
VLT
®
HVAC Drive FC 102
196 Danfoss A/S © 11/2017 All rights reserved. MG16C302
1010

Table of Contents

Other manuals for Danfoss VLT HVAC Drive FC 102

Related product manuals