EasyManua.ls Logo

Danfoss VLT HVAC Drive FC 102 - Page 35

Danfoss VLT HVAC Drive FC 102
254 pages
Print Icon
To Next Page IconTo Next Page
To Next Page IconTo Next Page
To Previous Page IconTo Previous Page
To Previous Page IconTo Previous Page
Loading...
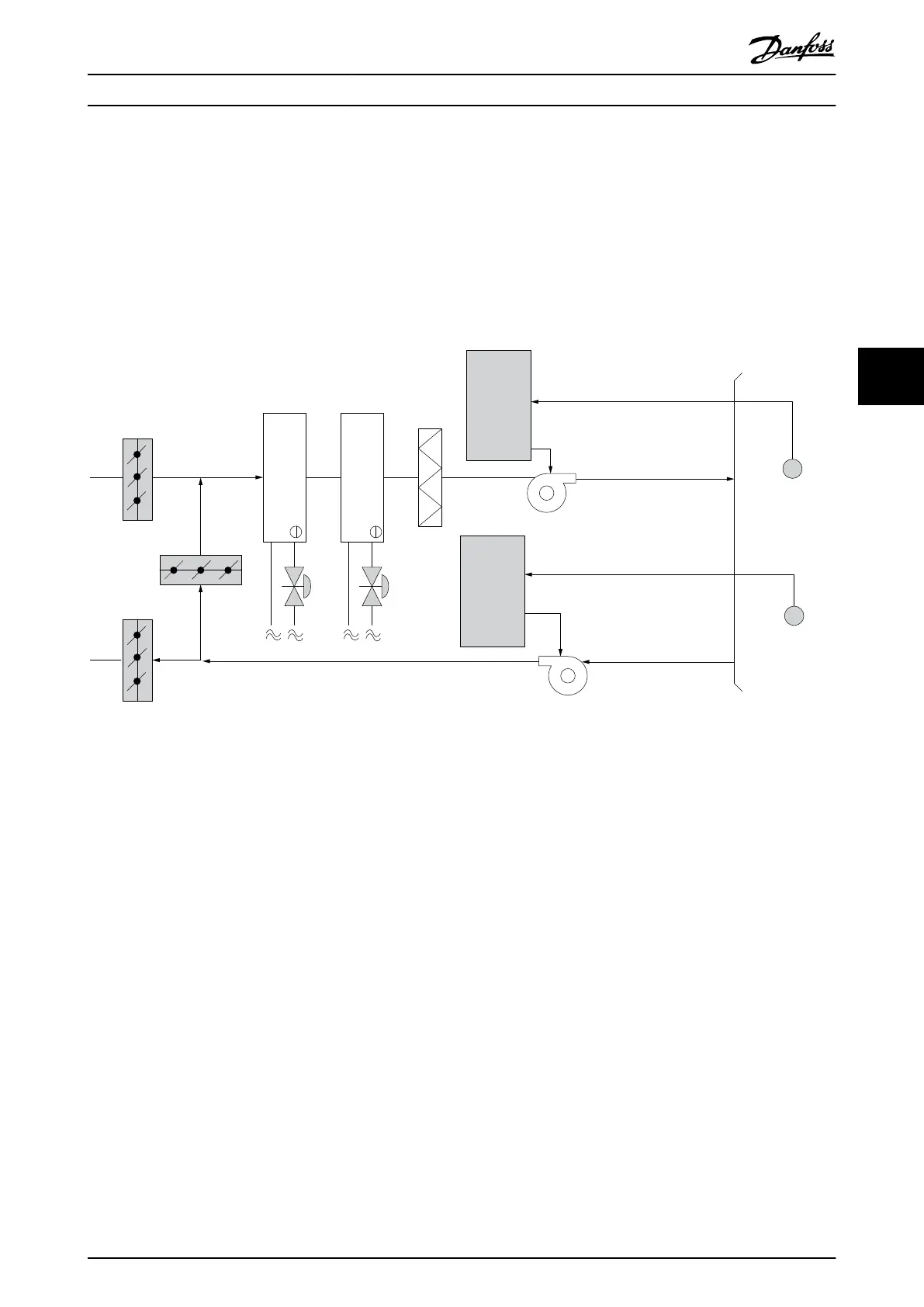
Temperature control needs vary based on outside temperature and number of people in the controlled zone. As the
temperature decreases below the setpoint, the supply fan can decrease its speed. The return fan modulates to maintain a
static pressure setpoint. Decreasing the airow, reduces the energy used to heat or cool the fresh air, resulting in further
savings.
Several features of the Danfoss HVAC dedicated drive can be used to improve the performance of a CAV system. One
concern of controlling a ventilation system is poor air quality. The programmable minimum frequency can be set to
maintain a minimum amount of supply air regardless of the feedback or reference signal. The drive also includes a 3-zone, 3
setpoint PID controller which allows monitoring both temperature and air quality. Even if the temperature requirement is
satised, the drive maintains enough supply air to satisfy the air quality sensor. The controller can monitor and compare 2
feedback signals to control the return fan by maintaining a xed dierential airow between the supply and return ducts.
Frequency
converter
Frequency
converter
Pressure
signal
Cooling coil
Heating coil
D1
D2
D3
Filter
Pressure
transmitter
Supply fan
Return fan
Temperature
signal
Temperature
transmitter
130BB451.10
Illustration 5.17 Drive Used in a Constant Air Volume System
For more information, consult the Danfoss supplier for the Constant Air Volume: Improving CAV Ventilation Systems application
note.
5.3.4.3 Cooling Tower Fan
Cooling tower fans are used to cool condenser water in water-cooled chiller systems. Water-cooled chillers provide the most
ecient means of creating chilled water. They are as much as 20% more ecient than air cooled chillers. Depending on
climate, cooling towers are often the most energy-ecient method of cooling the condenser water from chillers.
Cooling towers cool the condenser water by evaporation. The condenser water is sprayed into the cooling tower onto the
ll to increase its surface area. The tower fan blows air through the ll and sprayed water to aid in the evaporation.
Evaporation removes energy from the water, dropping its temperature. The cooled water collects in the basin of the cooling
tower where it is pumped back into the chiller condenser and the cycle is repeated.
VLT
®
solution
With a drive, the cooling tower fans can be controlled to the required speed to maintain the condenser water temperature.
The drives can also be used to turn the fan on and
o as needed. With the Danfoss VLT
®
HVAC Drive, as the cooling tower
fans drop below a certain speed, the cooling eect decreases. When using a gearbox to drive the tower fan, a minimum
speed of 40–50% could be required. The customer programmable minimum frequency setting is available to maintain this
minimum frequency even as the feedback or speed reference calls for lower speeds.
The drive can be programmed to enter a sleep mode and stop the fan until a higher speed is required. Additionally, some
cooling tower fans have undesirable frequencies that can cause vibrations. These frequencies can easily be avoided by
programming the bypass frequency ranges in the drive.
Product Features Design Guide
MG16C302 Danfoss A/S © 11/2017 All rights reserved. 33
5 5

Table of Contents

Other manuals for Danfoss VLT HVAC Drive FC 102

Related product manuals