EasyManua.ls Logo

Danfoss VLT HVAC Drive FC 102 - Page 37

Danfoss VLT HVAC Drive FC 102
254 pages
Print Icon
To Next Page IconTo Next Page
To Next Page IconTo Next Page
To Previous Page IconTo Previous Page
To Previous Page IconTo Previous Page
Loading...
Frequency
converter
Water
Inlet
Water
Outlet
BASIN
Flow or pressure sensor
Condenser
Water pump
Throttling
valve
Supply
CHILLER
130BB452.10
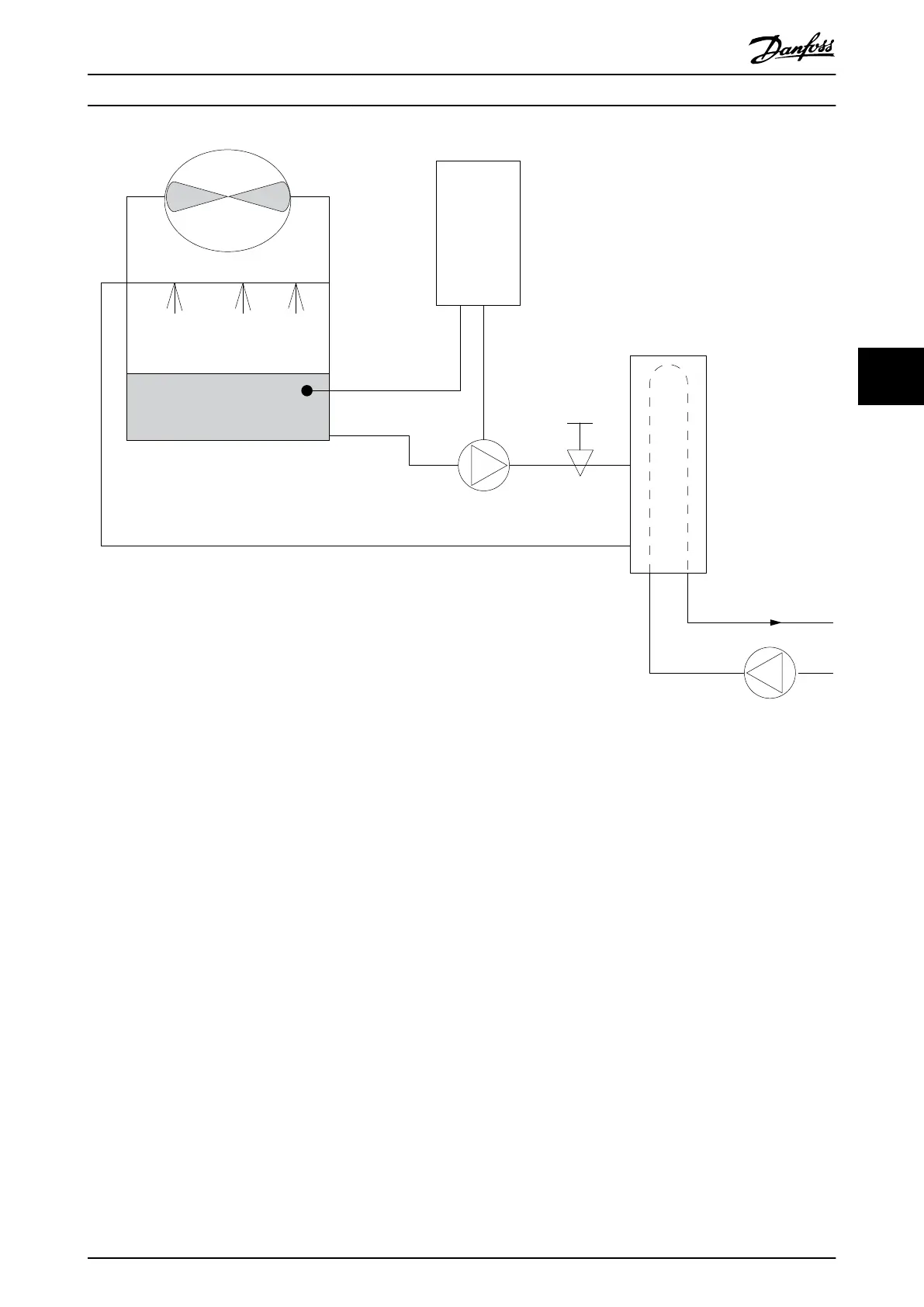
Illustration 5.19 Drive Used with a Condenser Pump
For more information, consult the Danfoss supplier for the Condenser Pumps: Improving Condenser Water Pumping Systems
application note.
5.3.4.5 Primary Pumps
Primary pumps in a primary/secondary pumping system can maintain a constant ow through devices that encounter
operation or control diculties when exposed to variable ow. The primary/secondary pumping technique decouples the
primary production loop from the secondary distribution loop. Decoupling allows devices such as chillers to obtain constant
design ow and operate properly while allowing the rest of the system to vary in ow. As the evaporator ow rate
decreases in a chiller, the water begins to become overchilled. As the water becomes overchilled, the chiller attempts to
decrease its cooling capacity. If the ow rate drops far enough, or too quickly, the chiller cannot shed its load suciently
and the low evaporator temperature safety trips the chiller, requiring a manual reset. This situation is common in large
installations, especially when 2 or more chillers in parallel are installed if primary/secondary pumping is not used.
VLT
®
solution
A drive can be added to the primary system, to replace the throttling valve and/or trimming of the impellers, leading to
reduced operating expenses. Two control methods are common:
A ow meter installed at the discharge of each chiller can control the pump directly because the desired ow rate
is known and constant. Using the PID controller, the drive always maintains the appropriate ow rate, even
Product Features Design Guide
MG16C302 Danfoss A/S © 11/2017 All rights reserved. 35
5 5

Table of Contents

Other manuals for Danfoss VLT HVAC Drive FC 102

Related product manuals