EasyManua.ls Logo

Datalogic Matrix 210 - Maximum Line Speed Calculation

Datalogic Matrix 210
142 pages
Print Icon
To Next Page IconTo Next Page
To Next Page IconTo Next Page
To Previous Page IconTo Previous Page
To Previous Page IconTo Previous Page
Loading...
MATRIX 210™ REFERENCE MANUAL
86
6
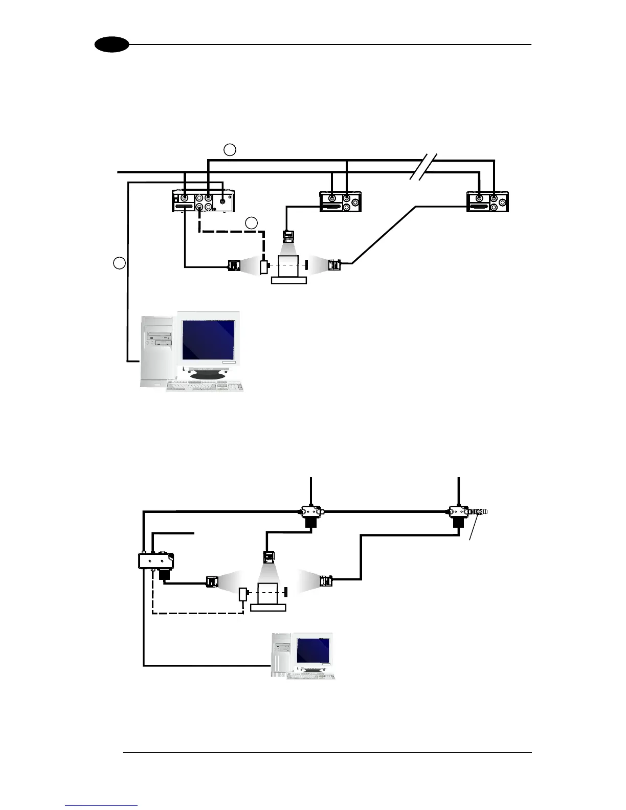
The same configuration can be made to a Host using a TCP/IP Ethernet interface. In this
case the Master is connected to a CBX500 with BM200/210 Host Interface Module installed.
The TCP/IP Ethernet, auxiliary, and ID-NET™ interfaces are connected as shown in the
figure below.
Figure 96 ID-NET™ M/S Synchronized Layout with BM200/210 TCP/IP Ethernet Interface to Host
An alternative layout to the CBXs can be made using QLs:
Figure 97 - ID-NET™ M/S Synchronized Layout with QL500 TCP/IP Ethernet Interface to Host
CBX500
BM200/210 TCP/IP Ethernet Interface
External Trigger
ID-NET™ (up to 16 devices - practical limit)
Host
1
3
2
Master
Slave#1
Slave#n
Power
Host
QL150
PS
Power
Ethernet Interface
CBL-1490
ID-NET
Terminator
The ID-NET network must be terminated
inserting an ID-NET terminator into the
last QL in the network.
ID-NET on the QL500 is internally
terminated.
Slave Nodes
CBL-1480-xx
CAB-PW-EXT
CBL-1480-xx
Aux
QL500
Master
QL150
ID-NET™
Aux

Table of Contents

Other manuals for Datalogic Matrix 210

Related product manuals